Запчасти Komatsu JP70-3 РУКОЯТЬ(№-) VIBRO ПЛАСТИНА

Схема запчастей Komatsu JP70-3 - РУКОЯТЬ(№-) VIBRO ПЛАСТИНА
FIT
1:1
100%

Артикул

Название

Примечание

Количество

|1

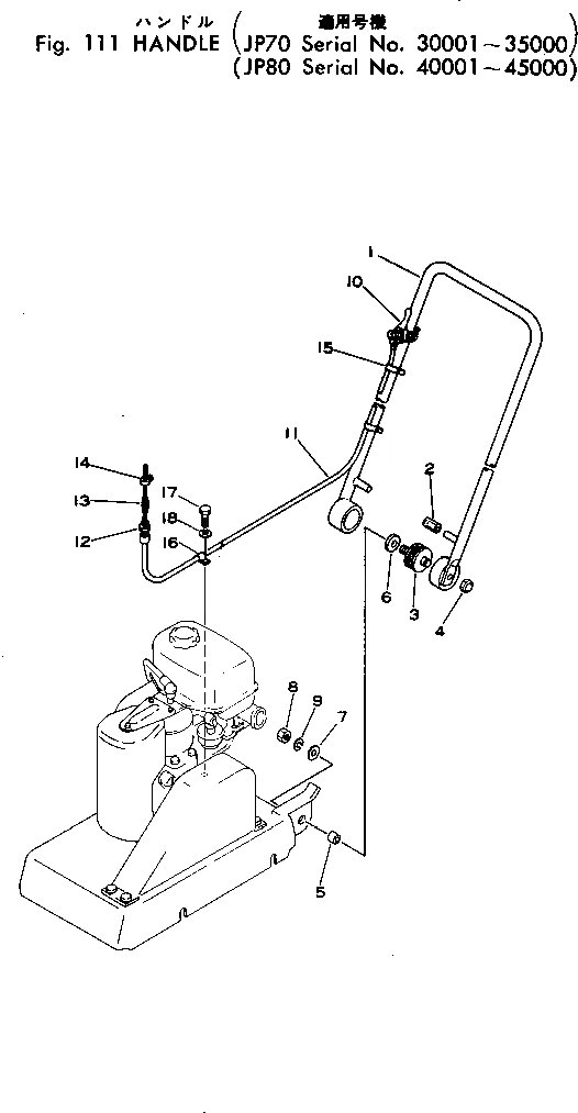
26991-11-000

VIBRO PLATE ASS'Y

SN: 30001-35000

1шт.

1

26991-11-900

HANDLE ASS'Y

SN: 30001-@

1шт.

2

26991-11-650

PIPE

SN: 30001-35000

2шт.

3

26991-11-610

RUBBER,CUSHION

SN: 30001-@

2шт.

4

26991-11-690

U-NUT

SN: 30001-35000

2шт.

5

26991-11-640

SPACER

SN: 30001-@

2шт.

6

26991-12-480

WASHER

SN: 30001-@

2шт.

7

26991-12-490

WASHER

SN: 30001-@

2шт.

8

01580-01008

NUT

SN: 30001-35000

2шт.

9

01602-01030

WASHER,SPRING

SN: 30001-35000

2шт.

10

26991-15-150

LEVER,THROTTLE

SN: 30001-@

1шт.

11

26991-15-140

WIRE,THROTTLE

SN: 30001-@

1шт.

12

26991-15-130

BOLT,ADJUSTING

SN: 30001-35000

1шт.

13

26991-15-120

SPRING

SN: 30001-35000

1шт.

14

26991-15-110

CABLE,END

SN: 30001-35000

1шт.

15

26991-11-660

BAND

SN: 30001-@

2шт.

16

26991-11-990

CLIP

SN: 30001-35000

1шт.

17

01010-30816

BOLT

SN: 30001-35000

1шт.

18

01602-00825

WASHER,SPRING

SN: 30001-35000

1шт.

Выбрано товаров: 19