Запчасти Komatsu JT150-1 ПОЛ СУППОРТ КАБИНА ОПЕРАТОРА И СИСТЕМА УПРАВЛЕНИЯ

Схема запчастей Komatsu JT150-1 - ПОЛ СУППОРТ КАБИНА ОПЕРАТОРА И СИСТЕМА УПРАВЛЕНИЯ
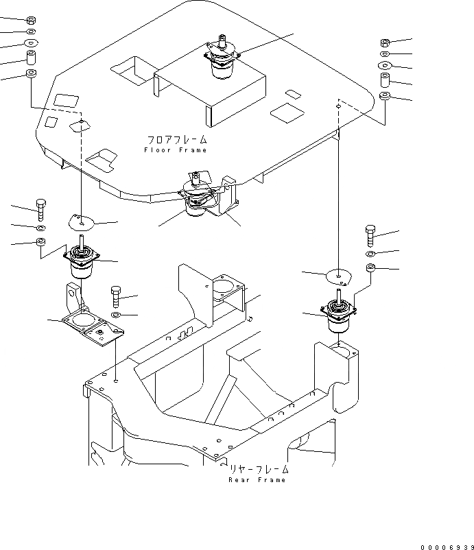
1
2
3
4
4
5
5
5
5
6
6
7
7
8
8
9
10
10
11
11
12
12
13
13
14
14
FIT
1:1
100%

Артикул

Название

Примечание

Количество

1

417-J90-2130

SUPPORT,L.H.

SN: 1001-UP

1шт.

2

417-J90-2140

SUPPORT,R.H.

SN: 1001-UP

1шт.

3

01010-61645

BOLT

SN: 1001-UP

8шт.

4

01643-31645

WASHER

SN: 1001-UP

8шт.

5

20Y-54-65810

CUSHION

SN: 1001-UP

4шт.

6

01010-81035

BOLT

SN: 1001-UP

16шт.

7

01643-31032

WASHER

SN: 1001-UP

16шт.

8

20Y-54-65860

SPACER

SN: 1001-UP

16шт.

9

417-J90-1730

SPACER

SN: 1001-UP

4шт.

10

01580-11613

NUT

SN: 1001-UP

4шт.

11

01643-31645

WASHER

SN: 1001-UP

4шт.

12

113-01-21120

WASHER

SN: 1001-UP

4шт.

13

279-54-11110

COLLAR

SN: 1001-UP

4шт.

14

416-40-11150

WASHER

SN: 1001-UP

4шт.

Выбрано товаров: 14