Запчасти Komatsu JV06H-2 РЫЧАГ УПРАВЛ-Я ПОДАЧЕЙ ТОПЛИВА ДВИГАТЕЛЬ¤ КОМПОНЕНТЫ ДВИГАТЕЛЯ И ЭЛЕКТРИКА

Схема запчастей Komatsu JV06H-2 - РЫЧАГ УПРАВЛ-Я ПОДАЧЕЙ ТОПЛИВА ДВИГАТЕЛЬ¤ КОМПОНЕНТЫ ДВИГАТЕЛЯ И ЭЛЕКТРИКА
FIT
1:1
100%

Артикул

Название

Примечание

Количество

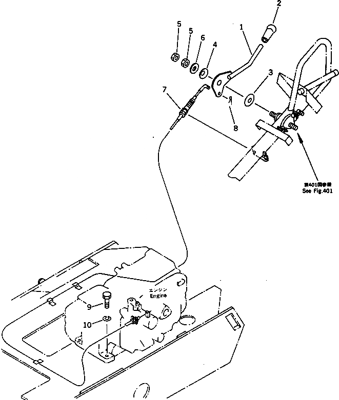
1

2692-2-38100

LEVER,FUEL

SN: 2501-UP

1шт.

2

258-20-18130

KNOB

SN: 2501-UP

1шт.

3

2692-3-36820

PLATE,FRICTION

SN: 2501-UP

1шт.

4

2692-3-36830

SPRING

SN: 2501-UP

1шт.

5

01580-01411

NUT

SN: 2501-UP

2шт.

6

01640-21426

WASHER

SN: 2501-UP

1шт.

7

2692-2-38210

WIRE

SN: 2501-UP

1шт.

8

04050-02015

PIN,COTTER

SN: 2501-UP

1шт.

9

01010-31030

BOLT

SN: 2501-UP

4шт.

10

01602-01030

WASHER,SPRING

SN: 2501-UP

4шт.

Выбрано товаров: 10