Запчасти Komatsu JV06HM-2 МАСЛ. БАК СИСТЕМА РАЗБРЫЗГИВАНИЯ ВОДЫ И МАСЛ. БАК

Схема запчастей Komatsu JV06HM-2 - МАСЛ. БАК СИСТЕМА РАЗБРЫЗГИВАНИЯ ВОДЫ И МАСЛ. БАК
FIT
1:1
100%

Артикул

Название

Примечание

Количество

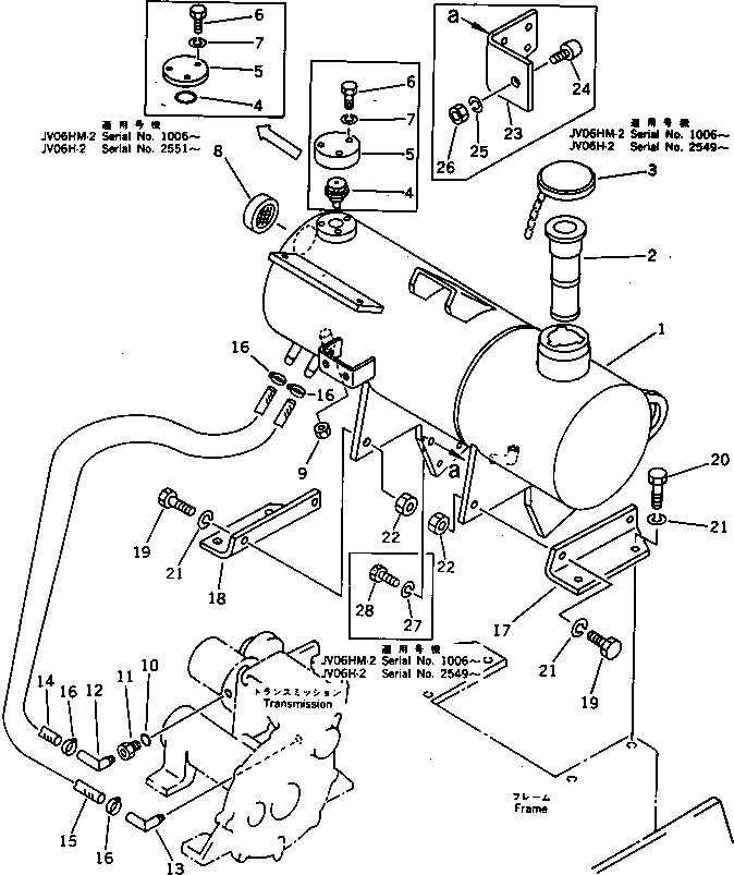
1

2692-8-35101

TANK,OIL

SN: 1006-UP

1шт.

1

2692-8-35100

TANK,OIL

SN: 1001-1005

1шт.

2

258-20-17410

STRAINER

SN: 1001-UP

1шт.

3

267-20-25321

CAP

SN: 1001-UP

1шт.

4

266-09-11030

O-RING

SN: 1006-UP

1шт.

4

2692-3-11150

PLUG

SN: 1001-1005

1шт.

5

2692-8-36410

CAP

SN: 1006-UP

1шт.

5

2692-8-16410

CAP

SN: 1001-1005

1шт.

6

01010-30820

BOLT

SN: 1006-UP

3шт.

6

01010-30830

BOLT

SN: 1001-1005

3шт.

7

01602-00825

WASHER,SPRING

SN: 1001-UP

3шт.

8

265-30-21460

GAUGE

SN: 1001-UP

1шт.

9

2692-8-12410

PLUG,DRAIN

SN: 1001-UP

1шт.

10

2692-8-16220

O-RING

SN: 1001-UP

1шт.

11

2692-8-16210

BUSHING

SN: 1001-UP

1шт.

12

2692-8-16100

ELBOW

SN: 1001-UP

1шт.

13

2692-8-36100

ELBOW

SN: 1001-UP

1шт.

14

2692-8-36310

HOSE

SN: 1001-UP

1шт.

15

2692-8-36320

HOSE

SN: 1001-UP

1шт.

16

07280-02523

CLAMP

SN: 1001-UP

4шт.

17

2692-8-33220

BRACKET

SN: 1001-UP

1шт.

18

2692-8-33230

BRACKET

SN: 1001-UP

1шт.

19

01010-31240

BOLT

SN: 1001-UP

4шт.

20

01010-31225

BOLT

SN: 1001-UP

4шт.

21

01602-01236

WASHER,SPRING

SN: 1001-UP

8шт.

22

01580-01210

NUT

SN: 1001-UP

4шт.

23

2692-6-32840

BRACKET

SN: 1006-UP

1шт.

24

2692-6-32810

STOPPER

SN: 1006-UP

1шт.

25

01602-01236

WASHER,SPRING

SN: 1006-UP

1шт.

26

01520-01210

NUT

SN: 1006-UP

1шт.

27

01602-01030

WASHER,SPRING

SN: 1006-UP

4шт.

28

01010-31025

BOLT

SN: 1006-UP

4шт.

Выбрано товаров: 0