Запчасти Komatsu JV06HM-2 БЛОК ЦИЛИНДРОВ ДВИГАТЕЛЬ¤ КОМПОНЕНТЫ ДВИГАТЕЛЯ И ЭЛЕКТРИКА

Схема запчастей Komatsu JV06HM-2 - БЛОК ЦИЛИНДРОВ ДВИГАТЕЛЬ¤ КОМПОНЕНТЫ ДВИГАТЕЛЯ И ЭЛЕКТРИКА
FIT
1:1
100%

Артикул

Название

Примечание

Количество

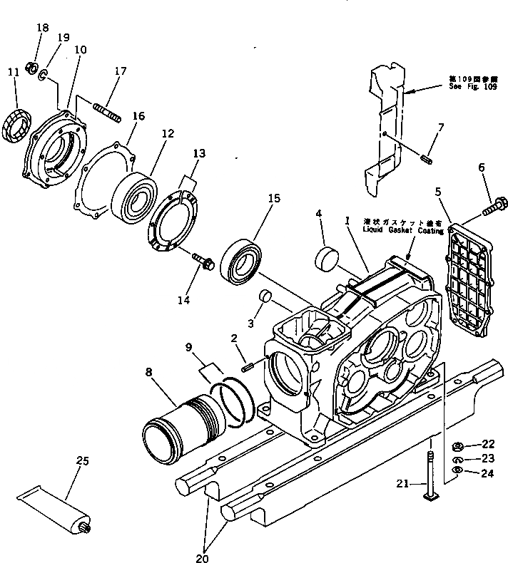
1

YM705190-01560

CYLINDER BLOCK ASS'Y

SN: 1001-UP

1шт.

2

YM22351-060012

PIN,SPRING

SN: 1001-UP

2шт.

3

YM105190-01670

PLUG

SN: 1001-UP

1шт.

4

YM105190-01680

PLUG

SN: 1001-UP

2шт.

5

YM105190-01480

COVER

SN: 1001-UP

1шт.

6

YM26106-060202

BOLT

SN: 1001-UP

6шт.

7

YM105100-01820

PLUG

SN: 1001-1075

1шт.

8

YM705100-01900

LINER,CYLINDER

SN: 1001-UP

1шт.

9

YM105100-01300

O-RING

SN: 1001-UP

2шт.

10

YM705100-02500

HOUSING ASS'Y

SN: 1001-UP

1шт.

11

YM123325-02500

SEAL,OIL

SN: 1001-UP

1шт.

12

YM105100-02300

BEARING,BALL

SN: 1001-UP

1шт.

13

YM106100-02331

RETAINER

SN: 1001-UP

2шт.

14

YM26116-050082

BOLT

SN: 1001-UP

6шт.

15

YM105100-02310

BEARING,BALL

SN: 1001-UP

1шт.

16

YM105100-02020

GASKET

SN: 1001-UP

1шт.

17

YM26226-080222

STUD

SN: 1076-UP

6шт.

17

YM26226-080202

STUD

SN: 1001-1075

6шт.

18

YM26716-080002

NUT

SN: 1001-UP

6шт.

19

YM22217-080000

WASHER,SPRING

SN: 1001-UP

6шт.

20

YM105100-08010

BRACKET

SN: 1076-UP

2шт.

21

YM101137-08050

BOLT

SN: 1076-UP

4шт.

22

YM26706-100002

NUT

SN: 1076-UP

4шт.

23

YM22217-100000

WASHER,SPRING

SN: 1076-UP

4шт.

24

YM22117-100000

WASHER

SN: 1076-UP

4шт.

25

YM977770-01212

LIQUID GASKET

SN: 1001-UP

-2шт.

Выбрано товаров: 0