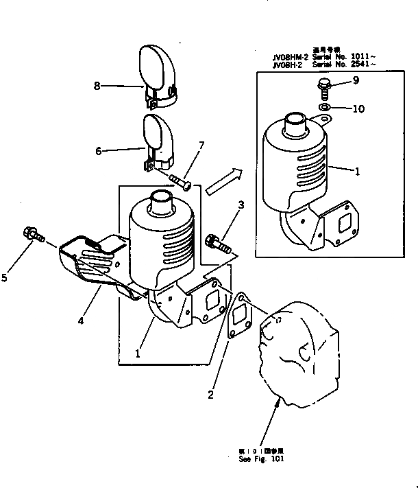
Запчасти Komatsu JV08H-2 ВЫПУСКН. ГЛУШИТЕЛЬ ДВИГАТЕЛЬ¤ КОМПОНЕНТЫ ДВИГАТЕЛЯ И ЭЛЕКТРИКА

Схема запчастей Komatsu JV08H-2 - ВЫПУСКН. ГЛУШИТЕЛЬ ДВИГАТЕЛЬ¤ КОМПОНЕНТЫ ДВИГАТЕЛЯ И ЭЛЕКТРИКА
FIT
1:1
100%

Артикул

Название

Примечание

Количество

1

YM105198-13530

SILENCER,EXHAUST

SN: 2541-UP

1шт.

|1

0

SILENCER,EXHAUST

SN: 2501-2540

1шт.

2

YM105300-13200

GASKET

SN: 2501-UP

1шт.

3

YM26013-080209

BOLT

SN: 2501-UP

3шт.

4

YM105190-13550

COVER

SN: 2501-UP

1шт.

5

YM160260-01580

BOLT

SN: 2501-UP

2шт.

|6

YM105198-13610

TAIL PIPE ASS'Y

SN: 2756-UP

1шт.

6

YM106530-13570

PIPE,EXHAUST

SN: 2756-UP

1шт.

|6

YM105370-13570

PIPE,EXHAUST

SN: 2501-2755

1шт.

7

YM26554-060162

SCREW

SN: 2756-UP

1шт.

|7

YM26557-060162

SCREW

SN: 2501-2755

1шт.

8

YM106530-13590

COVER

SN: 2756-UP

1шт.

|8

YM105212-13590

COVER

SN: 2501-2755

1шт.

9

YM26106-060202

BOLT

SN: 2541-UP

1шт.

10

YM160120-76940

WASHER

SN: 2541-UP

1шт.

Выбрано товаров: 15