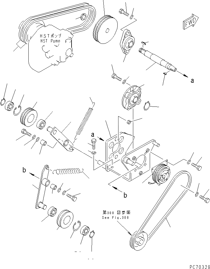
Запчасти Komatsu JV08H-3 НАТЯЖЕНИЕ РЕМНЯ(№-9) ТРАНСМИССИЯ

Схема запчастей Komatsu JV08H-3 - НАТЯЖЕНИЕ РЕМНЯ(№-9) ТРАНСМИССИЯ
1
2
3
4
5
6
7
8
9
10
11
12
13
14
15
16
17
18
19
20
21
21
22
22
23
23
24
24
25
25
26
27
28
28
28
28
29
29
30
30
31
32
33
34
35
FIT
1:1
100%

Артикул

Название

Примечание

Количество

1

2693-3-44600

BRACKET

SN: 5001-5900

1шт.

2

01010-81025

BOLT

SN: 5001-5900

4шт.

3

01602-21030

WASHER,SPRING

SN: 5001-5900

4шт.

4

2693-3-44710

SHAFT

SN: 5001-5900

1шт.

5

267-23-20510

BEARING

SN: 5001-5900

1шт.

6

01010-81035

BOLT

SN: 5001-5900

4шт.

7

01602-21030

WASHER,SPRING

SN: 5001-5900

4шт.

8

265-25-20510

BEARING

SN: 5001-5900

1шт.

9

01010-81440

BOLT

SN: 5001-5900

2шт.

10

01602-21442

WASHER,SPRING

SN: 5001-5900

2шт.

11

01580-11411

NUT

SN: 5001-5900

2шт.

12

266-30-41420

KEY

SN: 5001-@

1шт.

13

2692-3-11602

CLUTCH ASS'Y

SN: 5001-@

1шт.

14

01010-80616

BOLT

SN: 5001-@

3шт.

15

01602-20619

WASHER,SPRING

SN: 5001-@

3шт.

16

2692-3-11620

BOLT

SN: 5001-@

1шт.

17

2692-3-11630

WASHER

SN: 5001-@

1шт.

18

04000-00522

KEY

SN: 5001-5900

1шт.

19

2692-3-38240

PULLEY

SN: 5001-5900

1шт.

20

267-15-41404

NUT

SN: 5001-5900

1шт.

21

2692-3-44200

ARM

SN: 5001-5900

2шт.

22

2692-3-34420

BUSHING

SN: 5001-@

2шт.

23

26991-11-670

WASHER

SN: 5001-@

2шт.

24

01010-80816

BOLT

SN: 5001-@

2шт.

25

01602-20825

WASHER,SPRING

SN: 5001-@

2шт.

26

2692-3-32540

PULLEY

SN: 5001-5900

1шт.

27

2692-3-32560

PULLEY

SN: 5001-5900

1шт.

28

06009-06004

BEARING

SN: 5001-5900

4шт.

29

04065-04218

RING,SNAP

SN: 5001-5900

2шт.

30

04064-02012

RING,SNAP

SN: 5001-5900

2шт.

31

258-30-11351

SPRING

SN: 5001-5900

1шт.

32

2692-3-34440

SPRING

SN: 5001-@

1шт.

33

26991-21-750

V-BELT

SN: 5001-5900

2шт.

34

265-99-10039

V-BELT

SN: 5001-5900

1шт.

35

04064-02512

RING,SNAP

SN: 5001-5900

1шт.

Выбрано товаров: 35