Запчасти Komatsu JV08H-3 ЭЛЕКТРИКА(№-) ДВИГАТЕЛЬ¤ КОМПОНЕНТЫ ДВИГАТЕЛЯ И ЭЛЕКТРИКА

Схема запчастей Komatsu JV08H-3 - ЭЛЕКТРИКА(№-) ДВИГАТЕЛЬ¤ КОМПОНЕНТЫ ДВИГАТЕЛЯ И ЭЛЕКТРИКА
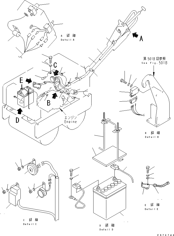
1
2
3
4
4
4
5
6
7
8
9
10
11
12
13
14
15
16
17
18
19
19
20
20
20
20
20
21
21
21
22
22
23
23
24
25
25
26
26
27
28
29
30
31
32
33
34
35
36
37
38
39
FIT
1:1
100%

Артикул

Название

Примечание

Количество

1

265-20-13623

HORN

SN: 5001-UP

1шт.

2

01580-10806

NUT

SN: 6000-UP

2шт.

3

01602-20825

WASHER,SPRING

SN: 5001-UP

1шт.

4

2693-2-59200

HARNESS ASS'Y

SN: 6000-UP

1шт.

5

2692-2-38510

RECTIFIER,VIBRATION

SN: 5001-UP

1шт.

6

01010-80625

BOLT

SN: 5001-UP

2шт.

7

01602-20619

WASHER,SPRING

SN: 5001-UP

2шт.

8

01643-30623

WASHER

SN: 5001-UP

2шт.

9

2692-2-38520

COUPLER

SN: 5001-UP

1шт.

10

2692-2-18220

SWITCH,HORN

SN: 5001-UP

1шт.

11

2692-2-58300

SWITCH,VIBRATION

SN: 6000-UP

1шт.

12

2692-2-38700

FUSE

SN: 5001-UP

1шт.

13

268-20-18310

BATTERY¤ 12V 45AH

SN: 5001-UP

1шт.

14

2692-2-59510

PAD

SN: 6000-UP

1шт.

15

2692-2-29400

HOLDER

SN: 6000-UP

1шт.

16

2692-2-49751

CABLE

SN: 6000-UP

1шт.

17

2692-2-49740

CABLE

SN: 5001-UP

1шт.

18

2691-6-19120

TUBE

SN: 5001-UP

1шт.

19

265-82-13009

CLIP

SN: 6000-UP

4шт.

20

265-82-13012

CLIP

SN: 6000-UP

5шт.

21

265-82-13015

CLIP

SN: 6000-UP

3шт.

22

01010-50816

BOLT

SN: 6000-UP

12шт.

23

01602-20825

WASHER,SPRING

SN: 6000-UP

12шт.

24

2692-2-49310

BUZZER

SN: 6000-UP

2шт.

25

01602-20619

WASHER,SPRING

SN: 6000-UP

2шт.

26

01580-10605

NUT

SN: 6000-UP

2шт.

27

01643-30623

WASHER

SN: 6000-UP

2шт.

28

265-20-13740

CAP

SN: 6000-UP

1шт.

29

265-20-13370

CAP

SN: 6000-UP

1шт.

30

258-07-91005

PROTECTOR

SN: 6000-UP

1шт.

31

265-06-12105

TUBE

SN: 6000-UP

1шт.

32

265-06-12104

TUBE

SN: 6000-UP

1шт.

33

265-06-12102

TUBE

SN: 6000-UP

1шт.

34

258-20-26360

RELAY

SN: 6000-UP

1шт.

35

258-30-16710

SWITCH,NEUTRAL

SN: 6000-UP

1шт.

36

2693-3-55210

BRACKET

SN: 6000-UP

1шт.

37

01010-80825

BOLT

SN: 6000-UP

2шт.

38

01602-20825

WASHER,SPRING

SN: 6000-UP

2шт.

39

26991-11670

WASHER

SN: 6000-UP

2шт.

Выбрано товаров: 0