Запчасти Komatsu JV100A-1 МАРКИРОВКА (ЯПОН.)(№-) ИНСТРУМЕНТ

Схема запчастей Komatsu JV100A-1 - МАРКИРОВКА (ЯПОН.)(№-) ИНСТРУМЕНТ
FIT
1:1
100%

Артикул

Название

Примечание

Количество

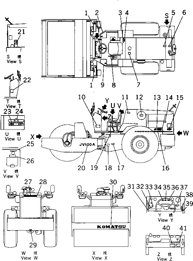
1

273-53-11270

SHEET

SN: 10011-10301

2шт.

2

273-53-11290

SHEET

SN: 10011-10301

1шт.

3

273-53-11210

PLATE,OIL CHART

SN: 10011-10301

1шт.

4

273-53-11191

PLATE,STANDARD STRUCTURE

SN: 10029-@

1шт.

|4

273-53-11190

PLATE,STANDARD STRUCTURE

SN: 10011-10028

1шт.

5

09650-00100

PLATE¤ INSTRUCTION,RADIATOR

SN: 10011-@

1шт.

6

09668-10000

PLATE¤ SAFETY,RADIATOR

SN: 10011-@

1шт.

7

09653-10000

PLATE¤ SAFETY,HYDRAULIC OIL TANK

SN: 10011-@

1шт.

8

273-53-11110

PLATE¤ OPERATING

SN: 10011-@

1шт.

9

273-53-11280

SHEET

SN: 10011-10301

1шт.

10

09602-01643

PLATE¤ NAME

SN: 10011-@

1шт.

|10

01220-60403

SCREW

SN: 10011-@

4шт.

|10

01601-20410

WASHER,SPRING

SN: 10011-@

4шт.

11

273-53-11350

PLATE

SN: 10011-@

1шт.

12

09637-00161

PLATE¤ INSTRUCTION

SN: 10011-@

1шт.

13

273-53-11311

PLATE¤ MARK,JV100A

SN: 10011-@

2шт.

14

09667-10000

PLATE¤ SAFETY,ENGINE COVER

SN: 10011-@

1шт.

15

09694-10200

PLATE¤ MARK

SN: 10011-@

2шт.

16

273-53-11380

TAPE

SN: 10011-@

2шт.

17

09162-10000

PLATE¤ SAFETY,OFFLIMIT WITH OPERATING AREA

SN: 10011-@

2шт.

18

09161-10000

PLATE¤ SAFETY,ARTICULATE LOCK

SN: 10011-@

1шт.

19

09690-10355

PLATE¤ MARK,KOMATSU

SN: 10029-@

2шт.

20

273-53-11151

PLATE¤ MARK,JV100A

SN: 10011-10301

2шт.

21

09101-10000

PLATE¤ CAUTION,RECOMMENDED FUEL OIL

SN: 10011-@

1шт.

22

273-53-11170

PLATE

SN: 10011-@

1шт.

23

273-53-11260

PLATE

SN: 10011-@

1шт.

|23

273-861-1110

PLATE,(FOR HIGH VIBRATION)

SN: 10011-@

1шт.

24

273-53-11180

PLATE

SN: 10011-@

1шт.

25

273-53-11360

PLATE,HYDRAULIC OIL LEVEL

SN: 10011-@

1шт.

26

273-53-11340

PLATE

SN: 10011-@

1шт.

|26

273-861-1110

PLATE,(FOR HIGH VIBRATION)

SN: 10011-@

1шт.

27

09690-10630

PLATE¤ MARK

SN: 10029-@

1шт.

|27

120-54-31211

PLATE¤ MARK

SN: 10011-10028

1шт.

28

01010-50616

BOLT

SN: 10011-10028

2шт.

|28

01602-20619

WASHER,SPRING

SN: 10011-10028

2шт.

|28

01641-20608

WASHER

SN: 10011-10028

2шт.

29

09652-00101

PLATE¤ CAUTION,FUEL TANK

SN: 10011-@

1шт.

30

09690-00900

PLATE¤ MARK,KOMATSU

SN: 10011-@

1шт.

31

273-53-11240

PLATE¤ OPERATING

SN: 10011-@

1шт.

32

273-53-11220

PLATE

SN: 10011-@

1шт.

33

273-53-11230

PLATE

SN: 10011-@

1шт.

34

273-53-11130

PLATE

SN: 10011-@

1шт.

35

237-54-13160

PLATE¤ NAME

SN: 10011-@

1шт.

36

273-53-11250

PLATE

SN: 10011-@

1шт.

37

09683-00160

PLATE¤ OPERATING,STARTING SWITCH

SN: 10011-@

1шт.

38

273-53-11330

PLATE,TRAVEL

SN: 10011-@

1шт.

39

273-53-11120

PLATE¤ OPERATING

SN: 10011-10301

1шт.

40

09649-10001

PLATE¤ INSTRUCTION,ENGINE STOP

SN: 10011-@

1шт.

41

09651-10000

PLATE¤ SAFETY,BEFORE OPERATING

SN: 10011-@

1шт.

Выбрано товаров: 49