Запчасти Komatsu JV100WA-1 МАРКИРОВКА (ЯПОН.)(№8-) ИНСТРУМЕНТ

Схема запчастей Komatsu JV100WA-1 - МАРКИРОВКА (ЯПОН.)(№8-) ИНСТРУМЕНТ
FIT
1:1
100%

Артикул

Название

Примечание

Количество

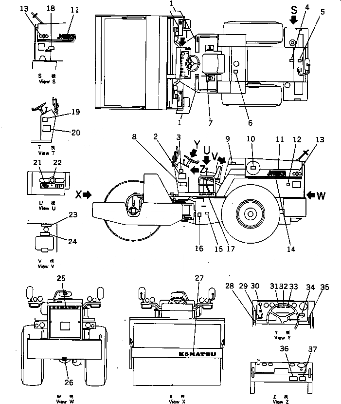
1

273-53-11430

SHEET

SN: 20083-@

4шт.

2

273-53-21140

PLATE,OIL CHART

SN: 20003-20260

1шт.

3

273-53-21131

PLATE,STANDARD STRUCTURE

SN: 20226-@

1шт.

|3

273-53-21130

PLATE,STANDARD STRUCTURE

SN: 20003-20225

1шт.

4

09650-00100

PLATE¤ INSTRUCTION,RADIATOR

SN: 20003-@

1шт.

5

09668-10000

PLATE¤ SAFETY,RADIATOR

SN: 20003-@

1шт.

6

09653-10000

PLATE¤ SAFETY,HYDRAULIC OIL TANK

SN: 20003-@

1шт.

7

273-53-11110

PLATE¤ OPERATING

SN: 20003-@

1шт.

8

09602-01643

PLATE¤ NAME

SN: 20003-20260

1шт.

|8

01220-40406

SCREW

SN: 20003-@

4шт.

|8

01601-20410

WASHER,SPRING

SN: 20003-@

4шт.

9

273-53-11350

PLATE

SN: 20003-@

1шт.

10

09637-00161

PLATE¤ INSTRUCTION

SN: 20003-@

1шт.

11

273-53-21120

PLATE¤ MARK,JV100WA

SN: 20003-20260

2шт.

12

09667-10000

PLATE¤ SAFETY,ENGINE COVER

SN: 20003-@

1шт.

13

09694-10200

PLATE¤ MARK

SN: 20003-20260

2шт.

14

273-53-11380

TAPE

SN: 20003-@

1шт.

15

09162-10000

PLATE¤ SAFETY,OFFLIMIT WITH OPERATING AREA

SN: 20003-@

2шт.

16

09161-10000

PLATE¤ SAFETY,ARTICULATE LOCK

SN: 20003-@

1шт.

17

09690-10355

PLATE¤ MARK,KOMATSU

SN: 20003-20260

2шт.

18

09101-10000

PLATE¤ CAUTION,RECOMMENDED FUEL OIL

SN: 20003-@

1шт.

19

273-53-11170

PLATE

SN: 20003-@

1шт.

20

273-53-11420

PLATE¤ CAUTION

SN: 20003-@

1шт.

21

273-53-11260

PLATE

SN: 20003-@

1шт.

22

273-53-11180

PLATE,VIBRATION LEVER

SN: 20003-@

1шт.

23

273-53-11360

PLATE,HYDRAULIC OIL LEVEL

SN: 20003-@

1шт.

24

273-53-11340

PLATE

SN: 20003-@

1шт.

25

09690-10630

PLATE¤ MARK,KOMATSU

SN: 20003-20260

1шт.

26

09652-00101

PLATE¤ CAUTION,FUEL TANK

SN: 20003-@

1шт.

27

09690-00900

PLATE¤ MARK,KOMATSU

SN: 20003-20260

1шт.

28

273-53-11240

PLATE¤ OPERATING

SN: 20003-@

1шт.

29

273-53-11220

PLATE

SN: 20003-@

1шт.

30

273-53-11230

PLATE

SN: 20003-@

1шт.

31

273-53-11130

PLATE

SN: 20003-@

1шт.

32

237-54-13160

PLATE¤ NAME

SN: 20003-@

1шт.

33

273-53-11250

PLATE

SN: 20003-@

1шт.

34

09683-00160

PLATE¤ OPERATING,STARTING SWITCH

SN: 20003-@

1шт.

35

273-53-11330

PLATE,TRAVEL

SN: 20003-@

1шт.

36

09649-10001

PLATE¤ INSTRUCTION,ENGINE STOP

SN: 20003-@

1шт.

37

09651-10000

PLATE¤ SAFETY,BEFORE OPERATING

SN: 20003-@

1шт.

Выбрано товаров: 40