Запчасти Komatsu JV100WA-2 КОРПУС ПЕРЕДАЧИ СИЛОВАЯ ПЕРЕДАЧА

Схема запчастей Komatsu JV100WA-2 - КОРПУС ПЕРЕДАЧИ СИЛОВАЯ ПЕРЕДАЧА
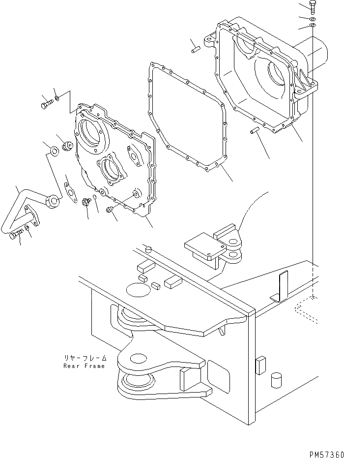
1
2
3
4
5
6
7
8
9
10
11
12
13
14
15
16
17
18
18
FIT
1:1
100%

Артикул

Название

Примечание

Количество

1

273-14-61110

CASE

SN: 21001-UP

1шт.

2

273-14-61220

GASKET

SN: 21001-UP

1шт.

3

273-14-61120

COVER

SN: 21001-UP

1шт.

4

01010-81030

BOLT

SN: 21001-UP

16шт.

5

01643-31032

WASHER

SN: 21001-UP

16шт.

6

07044-12412

PLUG

SN: 21001-UP

2шт.

7

07002-12434

O-RING

SN: 21001-UP

2шт.

8

273-14-61230

TUBE

SN: 21001-UP

1шт.

9

6130-22-7181

GASKET

SN: 21001-UP

1шт.

10

01010-81030

BOLT

SN: 21001-UP

2шт.

11

01643-31032

WASHER

SN: 21001-UP

2шт.

12

232-23-11220

BREATHER

SN: 21001-UP

1шт.

13

07003-03036

GASKET

SN: 21001-UP

1шт.

14

01010-81225

BOLT

SN: 21001-UP

4шт.

15

01643-31232

WASHER

SN: 21001-UP

4шт.

16

273-14-00020

SHIM ASS'Y

SN: 21001-UP

1шт.

|16

0

SHIM¤ 0.5MM

SN: 21001-UP

16шт.

|16

0

SHIM¤ 0.2MM

SN: 21001-UP

16шт.

|16

0

SHIM,0.5MM

SN: 21001-UP

8шт.

|16

0

SHIM,0.2MM

SN: 21001-UP

8шт.

17

07042-30108

PLUG

SN: 21001-UP

1шт.

18

04020-01024

PIN,DOWEL

SN: 21001-UP

2шт.

Выбрано товаров: 22