Запчасти Komatsu JV100WP-2T РЫЧАГ УПРАВЛ-Я ХОДОМ РУЛЕВ. УПРАВЛЕНИЕ И СИСТЕМА УПРАВЛЕНИЯ

Схема запчастей Komatsu JV100WP-2T - РЫЧАГ УПРАВЛ-Я ХОДОМ РУЛЕВ. УПРАВЛЕНИЕ И СИСТЕМА УПРАВЛЕНИЯ
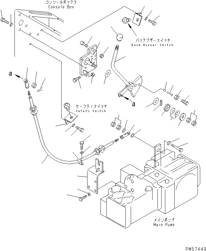
1
2
3
4
5
6
7
8
9
10
10
11
12
13
14
15
16
17
17
18
19
20
21
22
22
22
23
23
24
24
25
25
26
26
27
27
28
29
30
31
32
33
FIT
1:1
100%

Артикул

Название

Примечание

Количество

1

273-43-67240

BRACKET

SN: 31001-UP

1шт.

2

01010-80820

BOLT

SN: 31001-UP

3шт.

3

01643-30823

WASHER

SN: 31001-UP

3шт.

4

273-43-67410

LEVER,TRAVEL

SN: 31001-UP

1шт.

5

273-43-12240

BOLT

SN: 31001-UP

1шт.

6

04260-00952

BALL,STEEL

SN: 31001-UP

1шт.

7

273-43-12290

SPRING

SN: 31001-UP

1шт.

8

01582-11411

NUT

SN: 31001-UP

1шт.

9

237-43-17480

KNOB

SN: 31001-UP

1шт.

10

144-43-51220

FACING

SN: 31001-UP

2шт.

11

04025-00416

PIN,SPRING

SN: 31001-UP

1шт.

12

273-43-12120

DISC

SN: 31001-UP

1шт.

13

101-854-9355

SPRING

SN: 31001-UP

2шт.

14

23A-43-12220

DISC

SN: 31001-UP

1шт.

15

01580-11210

NUT

SN: 31001-UP

2шт.

16

273-43-67420

CABLE

SN: 31001-UP

1шт.

17

04250-40639

END,ROD

SN: 31001-UP

2шт.

18

01590-30607

NUT

SN: 31001-UP

1шт.

19

04050-11212

PIN,COTTER

SN: 31001-UP

1шт.

20

01010-80635

BOLT

SN: 31001-UP

1шт.

21

01580-10605

NUT

SN: 31001-UP

2шт.

22

01643-30623

WASHER

SN: 31001-UP

3шт.

23

273-43-17150

BRACKET

SN: 31001-UP

2шт.

24

01010-80616

BOLT

SN: 31001-UP

4шт.

25

01643-30623

WASHER

SN: 31001-UP

4шт.

26

01016-50835

BOLT

SN: 31001-UP

2шт.

27

01580-10806

NUT

SN: 31001-UP

2шт.

28

04434-51410

CLIP

SN: 31001-UP

1шт.

29

01010-81016

BOLT

SN: 31001-UP

1шт.

30

01643-31032

WASHER

SN: 31001-UP

1шт.

31

273-43-67280

BRACKET

SN: 31001-UP

1шт.

32

01010-81020

BOLT

SN: 31001-UP

3шт.

33

01643-31032

WASHER

SN: 31001-UP

3шт.

Выбрано товаров: 33