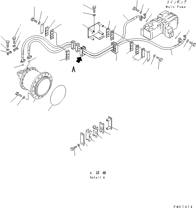
Запчасти Komatsu JV100WP-2T ГИДРОЛИНИЯ (ПЕРЕДН. МОТОР ХОДА ЛИНИЯ) ГИДРАВЛИКА

Схема запчастей Komatsu JV100WP-2T - ГИДРОЛИНИЯ (ПЕРЕДН. МОТОР ХОДА ЛИНИЯ) ГИДРАВЛИКА
1
1
2
2
2
2
3
3
3
3
4
4
4
4
5
5
5
5
6
7
8
9
10
10
10
11
11
11
12
12
12
13
13
13
13
14
14
15
16
17
18
19
20
21
22
23
FIT
1:1
100%

Артикул

Название

Примечание

Количество

1

273-60-64140

HOSE

SN: 31001-UP

2шт.

2

273-60-64340

O-RING

SN: 31001-UP

4шт.

3

273-60-64180

FLANGE

SN: 31001-UP

8шт.

4

02010-70744

BOLT

SN: 31001-UP

16шт.

5

01643-31232

WASHER

SN: 31001-UP

16шт.

6

273-61-64100

MOTOR ASS'Y,TRAVEL, FRONT

SN: 31001-UP

1шт.

7

07000-15330

O-RING

SN: 31001-UP

1шт.

8

01010-81655

BOLT

SN: 31001-UP

16шт.

9

01643-31645

WASHER

SN: 31001-UP

16шт.

10

273-60-64270

PLATE

SN: 31001-UP

5шт.

11

01010-81020

BOLT

SN: 31001-UP

12шт.

12

01643-31032

WASHER

SN: 31001-UP

12шт.

13

273-60-64350

CUSHION

SN: 31001-UP

10шт.

14

273-60-64360

CUSHION

SN: 31001-UP

5шт.

15

273-60-64390

BRACKET

SN: 31001-UP

1шт.

16

273-60-64381

PLATE

SN: 31001-UP

1шт.

17

273-60-64450

CUSHION

SN: 31001-UP

4шт.

18

273-60-64470

CUSHION

SN: 31001-UP

1шт.

19

273-60-64480

CUSHION

SN: 31001-UP

1шт.

20

273-60-64490

CUSHION

SN: 31001-UP

1шт.

21

273-60-64280

BRACKET

SN: 31001-UP

1шт.

22

01010-81440

BOLT

SN: 31001-UP

4шт.

23

01643-31465

WASHER

SN: 31001-UP

4шт.

Выбрано товаров: 23