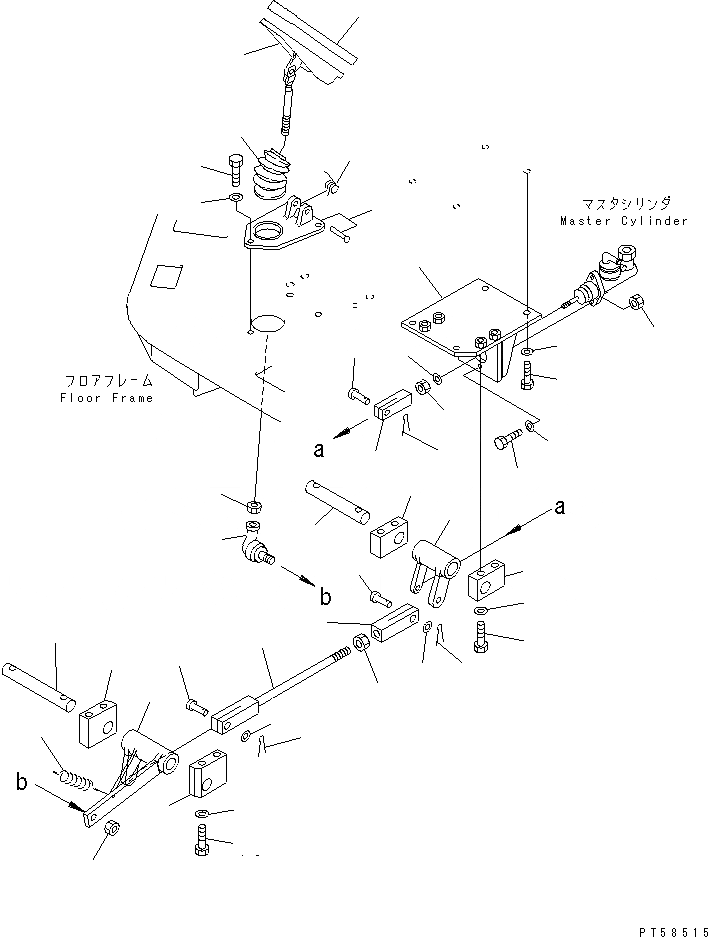
Запчасти Komatsu JV130WH-1 ПЕДАЛЬ ТОРМОЗА И МЕХАНИЗМ РУЛЕВ. УПРАВЛЕНИЕ И СИСТЕМА УПРАВЛЕНИЯ

Схема запчастей Komatsu JV130WH-1 - ПЕДАЛЬ ТОРМОЗА И МЕХАНИЗМ РУЛЕВ. УПРАВЛЕНИЕ И СИСТЕМА УПРАВЛЕНИЯ
1
1
2
3
4
5
6
7
8
9
10
11
12
12
13
14
15
16
17
18
19
19
20
20
21
21
22
23
24
25
26
27
27
28
29
30
31
32
33
34
35
36
37
FIT
1:1
100%

Артикул

Название

Примечание

Количество

1

417-43-27110

PEDAL

SN: 21001-UP

1шт.

2

363-43-37410

PAD

SN: 21001-UP

1шт.

3

417-43-27420

SPRING

SN: 21001-UP

1шт.

4

417-43-27410

BOOT

SN: 21001-UP

1шт.

5

01010-81030

BOLT

SN: 21001-UP

3шт.

6

01643-31032

WASHER

SN: 21001-UP

3шт.

7

04256-41230

JOINT,BALL

SN: 21001-UP

1шт.

8

01582-11210

NUT

SN: 21001-UP

1шт.

9

01595-01210

NUT

SN: 21001-UP

1шт.

10

273-43-63110

LEVER

SN: 21001-UP

1шт.

11

273-43-63150

PIN

SN: 21001-UP

1шт.

12

273-43-63140

BLOCK

SN: 21001-UP

2шт.

13

01010-81285

BOLT

SN: 21001-UP

4шт.

14

01643-31232

WASHER

SN: 21001-UP

4шт.

15

230-43-13120

SPRING

SN: 21001-UP

1шт.

16

04244-51234

ROD

SN: 21001-UP

1шт.

17

04211-21266

YOKE

SN: 21001-UP

1шт.

18

01582-11210

NUT

SN: 21001-UP

1шт.

19

04205-11238

PIN

SN: 21001-UP

2шт.

20

01641-21223

WASHER

SN: 21001-UP

2шт.

21

04050-13022

PIN,COTTER

SN: 21001-UP

2шт.

22

273-43-63170

BRACKET

SN: 21001-UP

1шт.

23

01010-81025

BOLT

SN: 21001-UP

4шт.

24

01643-31032

WASHER

SN: 21001-UP

4шт.

25

273-43-63120

LEVER

SN: 21001-UP

1шт.

26

273-43-63160

PIN

SN: 21001-UP

1шт.

27

273-43-63130

BLOCK

SN: 21001-UP

2шт.

28

01010-81275

BOLT

SN: 21001-UP

4шт.

29

01643-31232

WASHER

SN: 21001-UP

4шт.

30

01010-80830

BOLT

SN: 21001-UP

2шт.

31

01580-10806

NUT

SN: 21001-UP

2шт.

32

01643-30823

WASHER

SN: 21001-UP

2шт.

33

176-75-15310

YOKE

SN: 21001-UP

1шт.

34

01580-10806

NUT

SN: 21001-UP

1шт.

35

04205-11030

PIN

SN: 21001-UP

1шт.

36

01641-21016

WASHER

SN: 21001-UP

1шт.

37

04050-13020

PIN,COTTER

SN: 21001-UP

1шт.

Выбрано товаров: 37