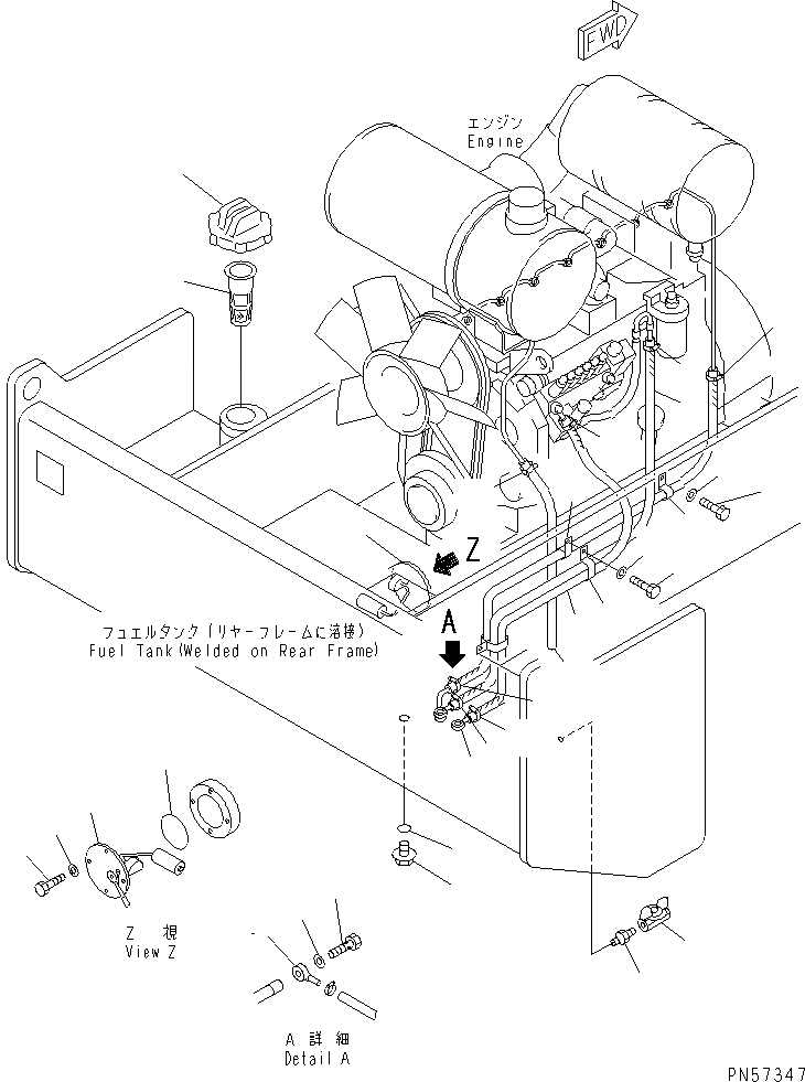
Запчасти Komatsu JV130WH-1 ТОПЛИВОПРОВОД. КОМПОНЕНТЫ ДВИГАТЕЛЯ И ЭЛЕКТРИКА

Схема запчастей Komatsu JV130WH-1 - ТОПЛИВОПРОВОД. КОМПОНЕНТЫ ДВИГАТЕЛЯ И ЭЛЕКТРИКА
1
2
2
3
3
4
5
6
7
7
8
9
10
11
12
12
13
14
15
16
17
18
19
20
21
21
22
23
24
25
26
27
28
FIT
1:1
100%

Артикул

Название

Примечание

Количество

1

07288-01011

HOSE

SN: 21001-UP

1шт.

2

07281-00197

CLAMP

SN: 21001-UP

2шт.

3

238-04-12110

TUBE

SN: 21001-UP

2шт.

4

07206-31014

BOLT,JOINT

SN: 21001-UP

2шт.

5

07005-01412

GASKET

SN: 21001-UP

2шт.

6

07288-00515

HOSE,SPILL

SN: 21001-UP

1шт.

7

07281-00137

CLAMP

SN: 21001-UP

2шт.

8

04435-51710

CLIP

SN: 21001-UP

1шт.

9

01010-81016

BOLT

SN: 21001-UP

1шт.

10

01643-31032

WASHER

SN: 21001-UP

1шт.

11

07288-01013

HOSE

SN: 21001-UP

1шт.

12

07281-00197

CLAMP

SN: 21001-UP

2шт.

13

04434-51210

CLIP

SN: 21001-UP

3шт.

14

04435-51710

CLIP

SN: 21001-UP

2шт.

15

01010-81016

BOLT

SN: 21001-UP

2шт.

16

01643-31032

WASHER

SN: 21001-UP

2шт.

17

07050-41200

CAP

SN: 21001-UP

1шт.

|17

07050-21202

GASKET

SN: 21001-UP

1шт.

18

07056-18416

STRAINER

SN: 21001-UP

1шт.

19

07325-10200

NIPPLE

SN: 21001-UP

1шт.

20

363-04-11130

VALVE

SN: 21001-UP

1шт.

21

7861-92-4810

SENSOR,FUEL

SN: 21001-UP

1шт.

22

07000-12085

O-RING

SN: 21001-UP

1шт.

23

01010-81020

BOLT

SN: 21001-UP

4шт.

24

01643-31032

WASHER

SN: 21001-UP

4шт.

25

07044-12412

PLUG

SN: 21001-UP

1шт.

26

07002-12434

O-RING

SN: 21001-UP

1шт.

27

07260-20936

HOSE

SN: 21001-UP

1шт.

28

07285-00155

CLIP

SN: 21001-UP

1шт.

Выбрано товаров: 29