Запчасти Komatsu JV16-1 CAM ВАЛ¤КОРОМЫСЛО¤INTAKE И ВЫПУСКН. КЛАПАНS ДВИГАТЕЛЬ¤ КОМПОНЕНТЫ ДВИГАТЕЛЯ И ЭЛЕКТРИКА

Схема запчастей Komatsu JV16-1 - CAM ВАЛ¤КОРОМЫСЛО¤INTAKE И ВЫПУСКН. КЛАПАНS ДВИГАТЕЛЬ¤ КОМПОНЕНТЫ ДВИГАТЕЛЯ И ЭЛЕКТРИКА
FIT
1:1
100%

Артикул

Название

Примечание

Количество

|$0

268-20-21000

ENGINE ASS'Y

SN: 1501-UP

1шт.

|$1

268-20-11002

ENGINE ASS'Y

SN: 1251-1450

1шт.

|$2

268-20-11001

ENGINE ASS'Y

SN: 1101-1250

1шт.

|$3

268-20-11000

ENGINE ASS'Y

SN: 1001-1100

1шт.

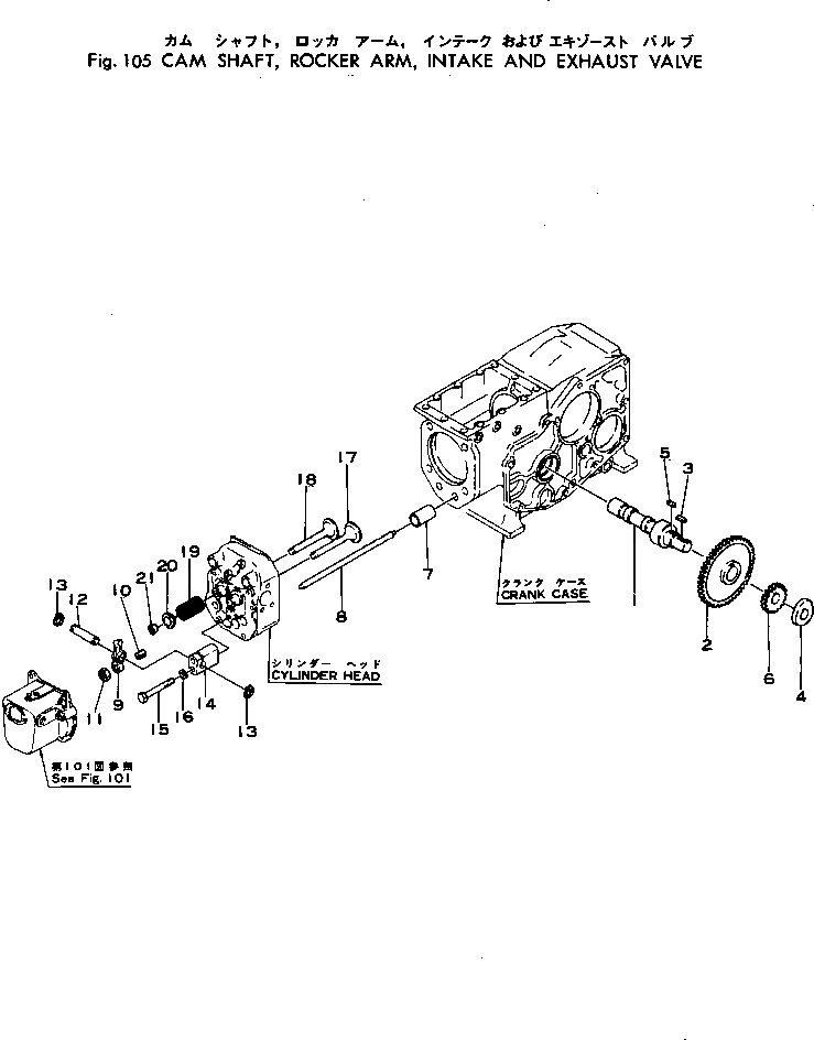
1

MJK903111-1

SHAFT

SN: 1001-UP

1шт.

2

MJK903112-1

GEAR

SN: 1001-UP

1шт.

3

MJMF476025

KEY

SN: 1001-UP

1шт.

4

MJMM306741

CAM

SN: 1391-UP

1шт.

4

MJMM306740

CAM

SN: 1251-1390

1шт.

4

MJK903113-0

CAM

SN: 1001-1250

1шт.

5

MJMF476037

KEY

SN: 1001-UP

1шт.

6

MJK906513-2

GEAR

SN: 1001-UP

1шт.

7

MJMM306753

TAPPET

SN: 1501-UP

2шт.

7

MJK723126-3

TAPPET

SN: 1001-1450

2шт.

8

MJK903125-0

ROD

SN: 1001-UP

2шт.

9

MJK763222-2

ROCKER ARM ASS'Y

SN: 1251-UP

2шт.

9

MJK763215-0

ROCKER ARM ASS'Y

SN: 1001-1250

2шт.

10

MJK723122-0

SCREW

SN: 1001-UP

2шт.

11

MJMF430726

NUT

SN: 1001-UP

2шт.

12

MJK88322801

SHAFT

SN: 1001-UP

1шт.

13

MJMF522007

RING

SN: 1001-UP

2шт.

14

MJK883227-1

SUPPORT

SN: 1001-UP

1шт.

15

MJMF101271

BOLT

SN: 1001-UP

2шт.

16

MJMF450405

WASHER

SN: 1001-UP

2шт.

17

MJK903311-1

VALVE

SN: 1001-UP

1шт.

18

MJK903312-1

VALVE

SN: 1001-UP

1шт.

19

MJK723133-0

SPRING

SN: 1001-UP

2шт.

20

MJK723134-1

RETAINER

SN: 1001-UP

2шт.

21

MJK843301-0

LOCK

SN: 1001-UP

4шт.

Выбрано товаров: 29