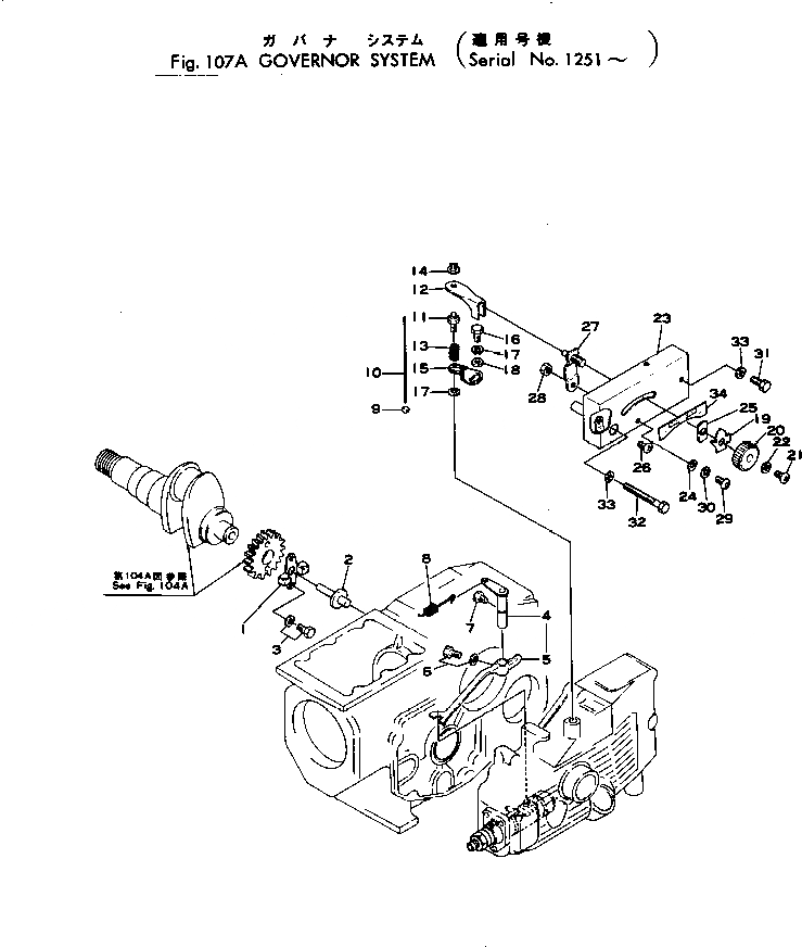
Запчасти Komatsu JV16-1 РЕГУЛЯТОР СИСТЕМА(№-) ДВИГАТЕЛЬ¤ КОМПОНЕНТЫ ДВИГАТЕЛЯ И ЭЛЕКТРИКА

Схема запчастей Komatsu JV16-1 - РЕГУЛЯТОР СИСТЕМА(№-) ДВИГАТЕЛЬ¤ КОМПОНЕНТЫ ДВИГАТЕЛЯ И ЭЛЕКТРИКА
FIT
1:1
100%

Артикул

Название

Примечание

Количество

|1

268-20-21000

ENGINE ASS'Y

SN: 1501-UP

1шт.

|1

268-20-11002

ENGINE ASS'Y

SN: 1251-1450

1шт.

1

MJMM400995

WEIGHT ASS'Y

SN: 1501-UP

1шт.

|1

MJMM303060

WEIGHT ASS'Y

SN: 1251-1450

1шт.

2

MJMM401072

SLEEVE ASS'Y

SN: 1501-UP

1шт.

|2

MJK875105-1

SLEEVE ASS'Y

SN: 1001-1450

1шт.

3

MJMF241223

BOLT

SN: 1251-UP

2шт.

4

MJMM303180

SHAFT ASS'Y

SN: 1251-UP

1шт.

5

MJMM307140

LEVER

SN: 1251-UP

1шт.

6

MJMF241223

BOLT

SN: 1251-UP

1шт.

7

MJMM300141

SCREW

SN: 1391-UP

1шт.

|7

MJ716024-0

SCREW

SN: 1001-1390

1шт.

8

MJMM307130

SPRING

SN: 1391-UP

1шт.

|8

MJK905202-2

SPRING

SN: 1001-1390

1шт.

9

MJMK99200001

METAL

SN: 1001-UP

1шт.

10

MJMK99300140

WIRE

SN: 1001-UP

1шт.

11

MJK875205-0

SHAFT

SN: 1001-UP

1шт.

12

MJMM303080

LEVER

SN: 1251-UP

1шт.

13

MJK875258-2

SPRING

SN: 1001-UP

1шт.

14

MJMF522403

RING

SN: 1001-UP

1шт.

15

MJMM303156

STOPPER

SN: 1251-UP

1шт.

16

MJMF125362

BOLT

SN: 1001-UP

1шт.

17

MJMF450404

WASHER

SN: 1001-UP

1шт.

18

MJMF450004

WASHER

SN: 1001-UP

1шт.

|19

MJMM307103

COVER ASS'Y,GOVERNOR

SN: 1391-UP

1шт.

|19

MJMM307100

COVER ASS'Y,GOVERNOR

SN: 1251-1390

1шт.

19

MJMM303140

INDICATOR

SN: 1251-UP

1шт.

20

MJK845221-1

KNOB

SN: 1001-UP

1шт.

21

MJMF200027

SCREW

SN: 1001-UP

1шт.

22

MJMS450032

WASHER

SN: 1001-UP

1шт.

23

MJMM307120

COVER

SN: 1251-UP

1шт.

24

MJMM303135

WASHER

SN: 1251-UP

1шт.

25

MJMM303145

PACKING

SN: 1251-UP

1шт.

26

MJMF200075

SCREW

SN: 1001-UP

1шт.

27

MJMM303085

LEVER ASS'Y

SN: 1251-UP

1шт.

28

MJMF430002

NUT

SN: 1251-UP

1шт.

29

MJMF200025

SCREW

SN: 1251-UP

1шт.

30

MJMF450151

WASHER

SN: 1251-UP

1шт.

31

MJMF101225

BOLT

SN: 1251-UP

1шт.

32

MJMF101245

BOLT

SN: 1251-UP

1шт.

33

MJMS450034

WASHER

SN: 1001-UP

2шт.

34

MJMM307135

LABEL

SN: 1391-UP

1шт.

|34

MJMM303130

LABEL

SN: 1251-1390

1шт.

Выбрано товаров: 0