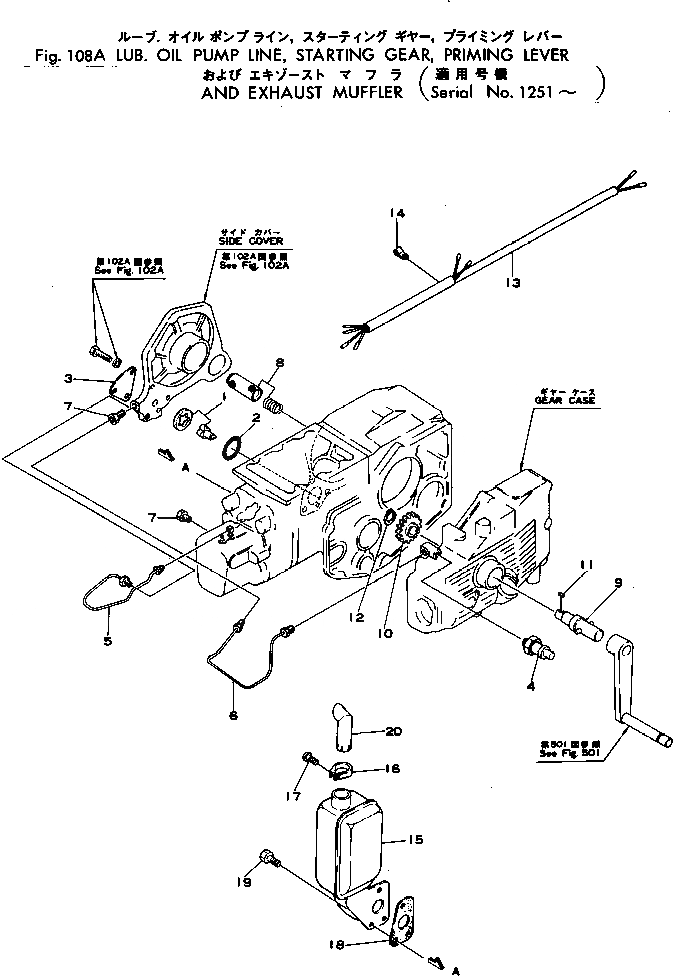
Запчасти Komatsu JV16-1 МАСЛ. НАСОС¤ STARTING ПРИВОД¤ PОБОД КОЛЕСАING РЫЧАГ И ГЛУШИТЕЛЬ(№-) ДВИГАТЕЛЬ¤ КОМПОНЕНТЫ ДВИГАТЕЛЯ И ЭЛЕКТРИКА

Схема запчастей Komatsu JV16-1 - МАСЛ. НАСОС¤ STARTING ПРИВОД¤ PОБОД КОЛЕСАING РЫЧАГ И ГЛУШИТЕЛЬ(№-) ДВИГАТЕЛЬ¤ КОМПОНЕНТЫ ДВИГАТЕЛЯ И ЭЛЕКТРИКА
FIT
1:1
100%

Артикул

Название

Примечание

Количество

|1

268-20-21000

ENGINE ASS'Y

SN: 1501-UP

1шт.

|1

268-20-11002

ENGINE ASS'Y

SN: 1251-1450

1шт.

1

MJK846113-1

ROTOR ASS'Y

SN: 1001-UP

1шт.

2

MJK776108-0

O-RING

SN: 1001-UP

1шт.

3

MJK846103-1

COVER

SN: 1001-UP

1шт.

4

MJMM303240

SENDER

SN: 1251-UP

1шт.

|4

MJK886141-1

SENDER

SN: 1001-1250

1шт.

5

MJK906131-2

OIL PIPE ASS'Y

SN: 1001-UP

1шт.

6

MJK906132-3

OIL PIPE ASS'Y

SN: 1001-UP

1шт.

7

MJK811017-0

CONNECTOR

SN: 1001-UP

3шт.

8

MJK906121-3

SCREEN ASS'Y

SN: 1001-UP

1шт.

9

MJK826511-4

SHAFT ASS'Y

SN: 1001-UP

1шт.

10

MJK826518-1

GEAR

SN: 1001-UP

1шт.

11

MJMF476017

KEY

SN: 1001-UP

1шт.

12

MJMF522005

RING

SN: 1001-UP

1шт.

13

MJK88255-1

WIRE

SN: 1001-UP

1шт.

14

MJK724531-1

CLAMP

SN: 1001-UP

1шт.

15

MJK908502-2

MUFFLER

SN: 1251-UP

1шт.

16

MJK828507-1

CLAMP

SN: 1001-UP

1шт.

17

MJMF200469

SCREW

SN: 1001-UP

1шт.

18

MJK908516-1

GASKET

SN: 1001-UP

1шт.

19

MJMF100083

BOLT

SN: 1001-UP

3шт.

20

268-20-16600

PIPE

SN: 1001-UP

1шт.

Выбрано товаров: 23