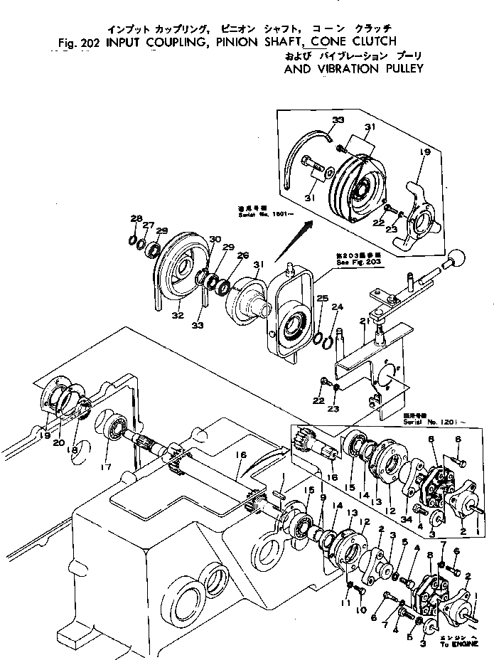
Запчасти Komatsu JV16-1 ВХОД СОЕДИНЕНИЕ¤ШЕСТЕРНЯ ВАЛ¤CONE МУФТА И VIBRATION ШКИВ ТРАНСМИССИЯ И ТОРМОЗ.

Схема запчастей Komatsu JV16-1 - ВХОД СОЕДИНЕНИЕ¤ШЕСТЕРНЯ ВАЛ¤CONE МУФТА И VIBRATION ШКИВ ТРАНСМИССИЯ И ТОРМОЗ.
FIT
1:1
100%

Артикул

Название

Примечание

Количество

1

04000-00730

KEY

SN: 1201-UP

1шт.

|1

04000-00730

KEY

SN: 1001-1200

2шт.

2

268-30-11421

BRACKET

SN: 1201-UP

1шт.

|2

268-30-11420

BRACKET

SN: 1001-1200

2шт.

3

268-30-11490

WASHER

SN: 1201-UP

1шт.

|3

268-30-12360

WASHER

SN: 1001-1200

2шт.

4

01050-31020

BOLT

SN: 1251-UP

1шт.

|4

01010-31020

BOLT

SN: 1201-1250

1шт.

|4

01010-31025

BOLT

SN: 1001-1200

2шт.

5

01602-01030

WASHER

SN: 1001-1200

2шт.

6

268-30-11920

BOLT

SN: 1201-UP

6шт.

|6

01010-30845

BOLT

SN: 1001-1200

6шт.

7

01602-00825

WASHER

SN: 1001-1200

6шт.

8

266-50-14361

COUPLING

SN: 1201-UP

1шт.

|8

266-50-14360

COUPLING

SN: 1001-1200

1шт.

9

268-30-11430

SPACER

SN: 1001-1200

1шт.

10

01010-30820

BOLT

SN: 1001-UP

4шт.

11

01602-00825

WASHER

SN: 1001-UP

4шт.

12

268-30-11450

CAP

SN: 1201-UP

1шт.

|12

0

CAP

SN: 1001-1200

1шт.

13

268-30-11460

GASKET

SN: 1001-UP

1шт.

14

267-94-22025

SEAL

SN: 1201-UP

1шт.

|14

267-94-31030

SEAL

SN: 1001-1200

1шт.

15

06000-06205

BEARING

SN: 1001-UP

1шт.

16

268-30-21410

SHAFT

SN: 1501-UP

1шт.

|16

268-30-11411

SHAFT

SN: 1201-1450

1шт.

|16

268-30-11410

SHAFT

SN: 1001-1200

1шт.

17

06000-06205

BEARING

SN: 1001-UP

1шт.

18

267-94-22025

SEAL

SN: 1001-UP

1шт.

19

268-30-21450

CAP

SN: 1501-UP

1шт.

|19

268-30-11450

CAP

SN: 1001-1450

1шт.

20

268-30-11460

GASKET

SN: 1001-UP

1шт.

21

268-30-17300

BRACKET

SN: 1001-1450

1шт.

22

01010-30825

BOLT

SN: 1001-UP

4шт.

23

01602-00825

WASHER

SN: 1001-UP

4шт.

24

04064-02512

RING

SN: 1001-1450

1шт.

25

07000-02021

O-RING

SN: 1001-1450

1шт.

26

267-95-12020

SEAL

SN: 1001-1450

1шт.

27

268-30-11470

SPACER

SN: 1001-1450

1шт.

28

04064-01710

RING

SN: 1001-1450

1шт.

29

06006-06003

BEARING

SN: 1001-1450

2шт.

30

04065-03515

RING

SN: 1001-1450

1шт.

31

268-30-21500

CLUTCH ASS'Y

SN: 1501-UP

1шт.

|31

268-30-11500

CLUTCH ASS'Y

SN: 1001-1450

1шт.

32

268-30-11480

PULLEY

SN: 1001-1450

1шт.

33

265-99-10053

V-BELT

SN: 1001-UP

1шт.

34

268-30-11910

BRACKET

SN: 1201-UP

1шт.

Выбрано товаров: 47