Запчасти Komatsu JV16-1 ВОЗД. САПУН¤ПОДЪЕМ EYE И ЗАДН. КРЫШКА(№-) ДВИГАТЕЛЬ¤ КОМПОНЕНТЫ ДВИГАТЕЛЯ И ЭЛЕКТРИКА

Схема запчастей Komatsu JV16-1 - ВОЗД. САПУН¤ПОДЪЕМ EYE И ЗАДН. КРЫШКА(№-) ДВИГАТЕЛЬ¤ КОМПОНЕНТЫ ДВИГАТЕЛЯ И ЭЛЕКТРИКА
FIT
1:1
100%

Артикул

Название

Примечание

Количество

|1

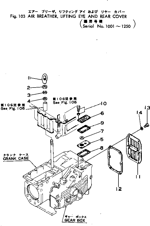
268-20-11001

ENGINE ASS'Y

SN: 1101-1250

1шт.

|1

268-20-11000

ENGINE ASS'Y

SN: 1001-1100

1шт.

1

MJK901451-1

HANGER

SN: 1001-1250

1шт.

2

MJMF430007

NUT

SN: 1001-1250

1шт.

3

MJMF450407

WASHER

SN: 1001-1250

1шт.

4

MJK811107-1

WASHER

SN: 1001-1250

1шт.

5

MJK841413-2

BODY

SN: 1001-@

1шт.

6

MJK841414-2

COVER

SN: 1001-@

1шт.

7

MJK721223-0

VALVE

SN: 1001-@

1шт.

8

MJK841426-1

PACKING

SN: 1001-@

1шт.

9

MJK841415-1

PACKING

SN: 1001-@

1шт.

10

MJMF350072

SCREW

SN: 1001-@

4шт.

11

MJK901344-1

COVER

SN: 1001-@

1шт.

12

MJK901345-2

PACKING

SN: 1001-@

1шт.

13

MJMF100053

BOLT

SN: 1001-@

6шт.

14

MJMF450405

WASHER

SN: 1001-@

6шт.

Выбрано товаров: 16