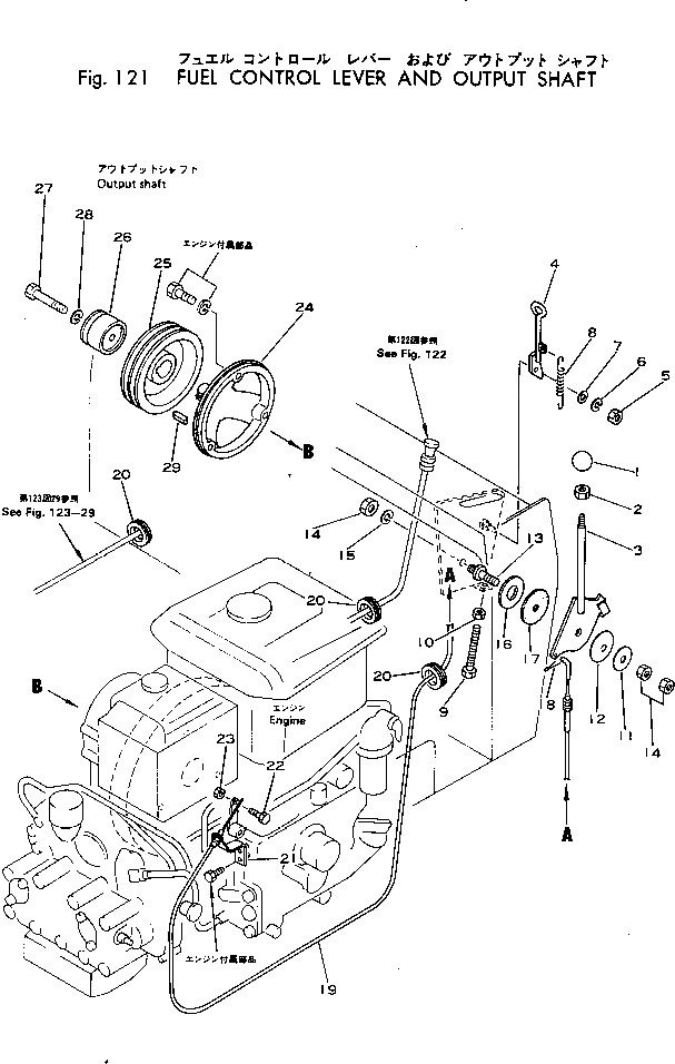
Запчасти Komatsu JV25-3 РЫЧАГ УПРАВЛ-Я ПОДАЧЕЙ ТОПЛИВА И ВЫХОДНОЙ ВАЛ ДВИГАТЕЛЬ¤ КОМПОНЕНТЫ ДВИГАТЕЛЯ И ЭЛЕКТРИКА

Схема запчастей Komatsu JV25-3 - РЫЧАГ УПРАВЛ-Я ПОДАЧЕЙ ТОПЛИВА И ВЫХОДНОЙ ВАЛ ДВИГАТЕЛЬ¤ КОМПОНЕНТЫ ДВИГАТЕЛЯ И ЭЛЕКТРИКА
FIT
1:1
100%

Артикул

Название

Примечание

Количество

1

266-96-30010

KNOB

SN: 4501-UP

1шт.

2

266-16-08000

NUT

SN: 4501-UP

1шт.

3

266-20-48200

LEVER

SN: 4501-UP

1шт.

4

2691-2-15300

LEVER

SN: 4501-UP

1шт.

5

01580-00806

NUT

SN: 4501-UP

1шт.

6

01602-00825

WASHER

SN: 4501-UP

1шт.

7

01640-20816

WASHER

SN: 4501-UP

1шт.

8

2691-2-15420

SPRING

SN: 4501-UP

1шт.

9

01016-30880

BOLT

SN: 4501-UP

1шт.

10

01580-00806

NUT

SN: 4501-UP

1шт.

11

266-91-14000

WASHER

SN: 4501-UP

1шт.

12

266-20-28350

SPRING

SN: 4501-UP

1шт.

13

2691-2-15440

STUD

SN: 4501-UP

1шт.

14

01580-01411

NUT

SN: 4501-UP

3шт.

15

01602-01442

WASHER

SN: 4501-UP

1шт.

16

2691-2-15450

SPACER

SN: 4501-4620

1шт.

17

266-20-28380

PLATE

SN: 4501-UP

1шт.

18

04050-01615

PIN

SN: 4501-UP

1шт.

19

266-20-48510

WIRE ASS'Y

SN: 4501-UP

1шт.

20

265-82-24050

GROMMET

SN: 4501-UP

3шт.

21

2691-2-15460

BRACKET

SN: 4501-UP

1шт.

22

01010-30616

BOLT

SN: 4501-UP

1шт.

23

01580-00605

NUT

SN: 4501-UP

1шт.

24

2691-2-14920

SHAFT

SN: 4501-UP

1шт.

25

266-20-41310

PULLEY

SN: 4501-UP

1шт.

26

266-20-41320

PULLEY

SN: 4501-UP

1шт.

27

01010-31060

BOLT

SN: 4501-UP

1шт.

28

01602-01030

WASHER

SN: 4501-UP

1шт.

29

04000-00730

KEY

SN: 4501-UP

1шт.

Выбрано товаров: 0