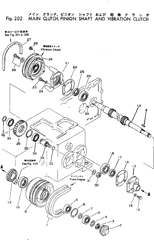
Запчасти Komatsu JV25-3 ОСНОВН. МУФТА¤ ШЕСТЕРНЯ ВАЛ И VIBRATION МУФТА ТРАНСМИССИЯ И ТОРМОЗ.

Схема запчастей Komatsu JV25-3 - ОСНОВН. МУФТА¤ ШЕСТЕРНЯ ВАЛ И VIBRATION МУФТА ТРАНСМИССИЯ И ТОРМОЗ.
FIT
1:1
100%

Артикул

Название

Примечание

Количество

1

265-99-20060

V-BELT

SN: 4501-UP

2шт.

2

266-30-43410

CAP

SN: 4501-UP

1шт.

3

265-06-04000

NUT

SN: 4501-UP

1шт.

4

265-07-04000

WASHER

SN: 4501-UP

1шт.

5

06009-06204

BEARING

SN: 4501-UP

2шт.

6

04065-04718

RING

SN: 4501-UP

1шт.

7

266-30-43420

SPACER

SN: 4501-UP

1шт.

8

04000-00720

KEY

SN: 4501-UP

1шт.

9

266-30-43100

MAIN CLUTCH ASS'Y

SN: 4501-UP

1шт.

10

266-30-43440

BEARING

SN: 4501-UP

1шт.

12

266-30-43430

LEVER

SN: 4501-UP

1шт.

13

266-30-43500

CAP ASS'Y

SN: 4501-UP

1шт.

14

2691-3-11350

GASKET

SN: 4501-UP

1шт.

15

01010-30820

BOLT

SN: 4501-UP

4шт.

16

01602-00825

WASHER

SN: 4501-UP

4шт.

17

267-94-22030

SEAL

SN: 4501-UP

1шт.

18

06000-06206

BEARING

SN: 4501-UP

1шт.

19

266-30-41410

SHAFT

SN: 4501-UP

1шт.

20

06000-06206

BEARING

SN: 4501-UP

1шт.

21

266-30-41440

CAP

SN: 4501-UP

1шт.

22

2691-3-11350

GASKET

SN: 4501-UP

1шт.

23

01010-30825

BOLT

SN: 4501-UP

4шт.

24

01602-00825

WASHER

SN: 4501-UP

4шт.

25

267-94-22030

SEAL

SN: 4501-UP

1шт.

26

266-30-41420

KEY

SN: 4501-UP

1шт.

27

265-99-13366

V-BELT

SN: 4501-UP

1шт.

28

266-30-41500

CLUTCH ASS'Y

SN: 4501-UP

1шт.

29

268-30-11610

GEAR

SN: 4501-UP

1шт.

30

01580-01613

NUT

SN: 4501-UP

1шт.

31

01602-01648

WASHER

SN: 4501-UP

1шт.

32

366-39-41620

SHAFT

SN: 4501-UP

1шт.

33

07000-02021

O-RING

SN: 4501-UP

1шт.

34

06000-06005

BEARING

SN: 4501-UP

2шт.

35

04065-04718

RING

SN: 4501-UP

1шт.

36

04064-02512

RING

SN: 4501-UP

1шт.

Выбрано товаров: 0