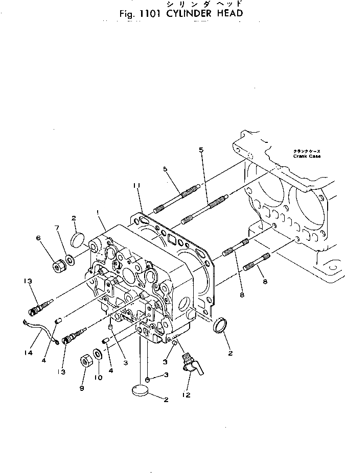
Запчасти Komatsu JV25-3A ГОЛОВКА ЦИЛИНДРОВ ДВИГАТЕЛЬ¤ КОМПОНЕНТЫ ДВИГАТЕЛЯ И ЭЛЕКТРИКА

Схема запчастей Komatsu JV25-3A - ГОЛОВКА ЦИЛИНДРОВ ДВИГАТЕЛЬ¤ КОМПОНЕНТЫ ДВИГАТЕЛЯ И ЭЛЕКТРИКА
FIT
1:1
100%

Артикул

Название

Примечание

Количество

|$0

266-20-49101

ENGINE ASS'Y,KUBOTA ZB14-NB

SN: 5001-UP

1шт.

|$1

KT14952-0304-1

CYLINDER HEAD ASS'Y

SN: 5001-UP

1шт.

1

KT14952-0311-1

HEAD

SN: 5001-UP

1шт.

2

KT15321-9626-3

PLUG

SN: 5001-UP

3шт.

3

KT14681-9685-1

PLUG

SN: 5001-UP

3шт.

4

KT14301-3396-1

PIN

SN: 5001-UP

2шт.

5

KT14911-0341-2

STUD

SN: 5001-UP

7шт.

6

KT14952-0351-1

NUT

SN: 5001-UP

7шт.

7

KT15121-0354-2

WASHER

SN: 5001-UP

7шт.

8

KT15221-0341-2

STUD

SN: 5001-UP

2шт.

9

KT15221-0351-1

NUT

SN: 5001-UP

2шт.

10

KT15221-0354-1

WASHER

SN: 5001-UP

2шт.

11

KT14952-0331-1

GASKET

SN: 5001-UP

1шт.

12

KT14301-7311-4

COCK

SN: 5001-UP

1шт.

13

KT15521-6551-1

PLUG

SN: 5001-UP

2шт.

14

KT14958-6556-1

CORD

SN: 5001-UP

1шт.

Выбрано товаров: 16