Запчасти Komatsu JV25-3A РУЛЕВ. УПРАВЛЕНИЕ ПРИВОД СИСТЕМАУПРАВЛЕНИЯ ПОВОРОТОМ

Схема запчастей Komatsu JV25-3A - РУЛЕВ. УПРАВЛЕНИЕ ПРИВОД СИСТЕМАУПРАВЛЕНИЯ ПОВОРОТОМ
FIT
1:1
100%

Артикул

Название

Примечание

Количество

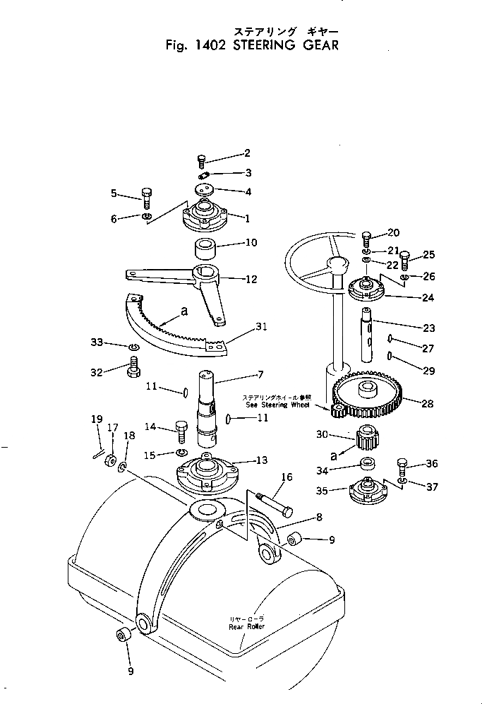
1

266-60-41230

UNIT

SN: 5001-UP

1шт.

2

01010-31020

BOLT

SN: 5001-UP

2шт.

3

2691-4-12530

WASHER

SN: 5001-UP

1шт.

4

2691-4-12520

WASHER

SN: 5001-UP

1шт.

5

01010-31245

BOLT

SN: 5001-UP

4шт.

6

01602-01236

WASHER

SN: 5001-UP

4шт.

|$6

266-60-41200

YOKE ASS'Y

SN: 5001-UP

1шт.

7

0

SHAFT

SN: 5001-UP

1шт.

8

0

YOKE

SN: 5001-UP

1шт.

9

266-70-41320

BUSHING

SN: 5001-UP

2шт.

10

266-60-41270

SPACER

SN: 5001-UP

1шт.

11

04000-01250

KEY

SN: 5001-UP

2шт.

12

266-60-41300

ARM

SN: 5001-UP

1шт.

13

266-60-41280

UNIT

SN: 5001-UP

1шт.

14

01010-31655

BOLT

SN: 5001-UP

4шт.

15

01602-01648

WASHER

SN: 5001-UP

4шт.

16

266-60-41290

PIN

SN: 5001-UP

1шт.

17

265-15-20000

NUT

SN: 5001-UP

1шт.

18

01602-02060

WASHER

SN: 5001-UP

1шт.

19

04050-04050

PIN

SN: 5001-UP

1шт.

20

01010-31225

BOLT

SN: 5001-UP

1шт.

21

01602-01236

WASHER

SN: 5001-UP

1шт.

22

268-40-12410

WASHER

SN: 5001-UP

1шт.

23

266-60-42210

SHAFT

SN: 5001-UP

1шт.

24

266-60-42220

UNIT

SN: 5001-UP

1шт.

25

01010-31040

BOLT

SN: 5001-UP

4шт.

26

01602-01030

WASHER

SN: 5001-UP

4шт.

27

04000-01040

KEY

SN: 5001-UP

1шт.

28

266-60-12230

GEAR

SN: 5001-UP

1шт.

29

04000-01040

KEY

SN: 5001-UP

1шт.

30

266-60-12240

GEAR

SN: 5001-UP

1шт.

31

266-60-11250

GEAR

SN: 5001-UP

1шт.

32

01010-31645

BOLT

SN: 5001-UP

2шт.

33

01602-01648

WASHER

SN: 5001-UP

2шт.

34

266-60-42260

SPACER

SN: 5001-UP

1шт.

35

266-60-42250

UNIT

SN: 5001-UP

1шт.

36

01010-31045

BOLT

SN: 5001-UP

4шт.

37

01602-01030

WASHER

SN: 5001-UP

4шт.

Выбрано товаров: 38