Запчасти Komatsu JV25-3A КОРПУС ШЕСТЕРЕНН. ПЕРЕДАЧИ (/) ДВИГАТЕЛЬ¤ КОМПОНЕНТЫ ДВИГАТЕЛЯ И ЭЛЕКТРИКА

Схема запчастей Komatsu JV25-3A - КОРПУС ШЕСТЕРЕНН. ПЕРЕДАЧИ (/) ДВИГАТЕЛЬ¤ КОМПОНЕНТЫ ДВИГАТЕЛЯ И ЭЛЕКТРИКА
FIT
1:1
100%

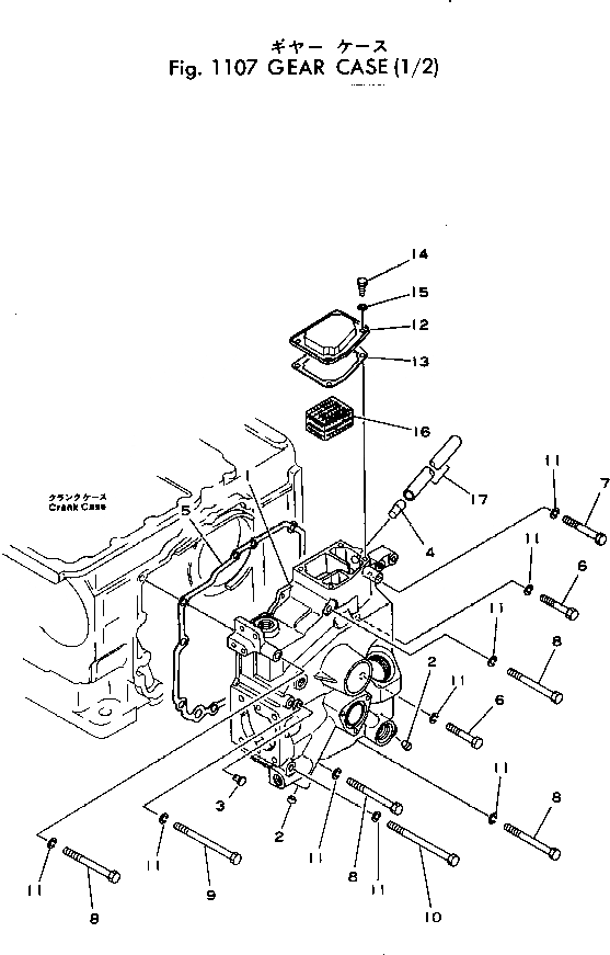
Артикул

Название

Примечание

Количество

|$0

266-20-49101

ENGINE ASS'Y

SN: 5001-UP

1шт.

|$1

KT14952-0402-1

CASE ASS'Y

SN: 5001-UP

1шт.

1

KT14952-0411-1

CASE

SN: 5001-UP

1шт.

2

KT15221-3364-1

PLUG

SN: 5001-UP

2шт.

3

KT14107-6629-2

PIN

SN: 5001-UP

1шт.

4

KT14952-0555-1

JOINT

SN: 5001-UP

1шт.

5

KT14952-0413-1

GASKET

SN: 5001-UP

1шт.

6

KT01153-50842

BOLT

SN: 5001-UP

2шт.

7

KT01153-50855

BOLT

SN: 5001-UP

1шт.

8

KT01153-50875

BOLT

SN: 5001-UP

4шт.

9

KT01153-50895

BOLT

SN: 5001-UP

1шт.

10

KT01153-50800

BOLT

SN: 5001-UP

1шт.

11

KT04512-50080

WASHER

SN: 5001-UP

9шт.

12

KT14952-0542-1

COVER

SN: 5001-UP

1шт.

13

KT14911-0543-1

GASKET

SN: 5001-UP

1шт.

14

KT01222-50612

BOLT

SN: 5001-UP

4шт.

15

KT04512-50060

WASHER

SN: 5001-UP

4шт.

16

KT14952-0567-1

ELEMENT

SN: 5001-UP

1шт.

17

KT14952-0551-1

PIPE

SN: 5001-UP

1шт.

Выбрано товаров: 19