Запчасти Komatsu JV25-3A F-R МУФТА ВАЛ (/) ТРАНСМИССИЯ И ТОРМОЗ.

Схема запчастей Komatsu JV25-3A - F-R МУФТА ВАЛ (/) ТРАНСМИССИЯ И ТОРМОЗ.
FIT
1:1
100%

Артикул

Название

Примечание

Количество

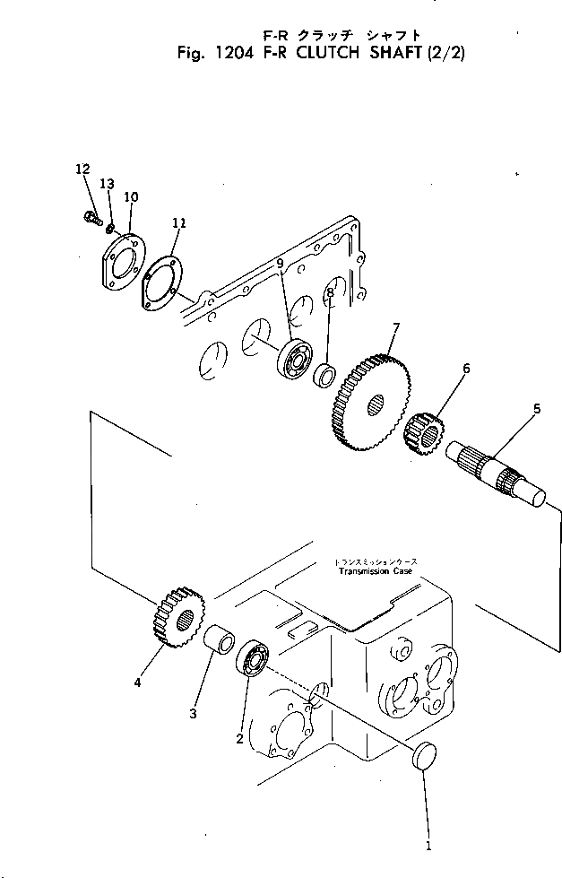
1

268-30-12230

CAP

SN: 5001-UP

1шт.

2

06000-06206

BEARING

SN: 5001-UP

1шт.

3

266-30-42150

SPACER

SN: 5001-UP

1шт.

4

266-30-42140

GEAR

SN: 5001-UP

1шт.

5

266-30-42110

SHAFT

SN: 5001-UP

1шт.

6

266-30-42130

GEAR

SN: 5001-UP

1шт.

7

266-30-42120

GEAR

SN: 5001-UP

1шт.

8

266-30-42160

SPACER

SN: 5001-UP

1шт.

9

06000-06306

BEARING

SN: 5001-UP

1шт.

10

266-30-42210

CAP

SN: 5001-UP

1шт.

11

266-30-42220

GASKET

SN: 5001-UP

1шт.

12

01010-30820

BOLT

SN: 5001-UP

4шт.

13

01602-00825

WASHER

SN: 5001-UP

4шт.

Выбрано товаров: 13