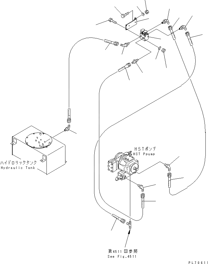
Запчасти Komatsu JV25CR-7 ГИДРОЛИНИЯ (NЕСTRAL КЛАПАН ЛИНИЯ) УПРАВЛ-Е РАБОЧИМ ОБОРУДОВАНИЕМ

Схема запчастей Komatsu JV25CR-7 - ГИДРОЛИНИЯ (NЕСTRAL КЛАПАН ЛИНИЯ) УПРАВЛ-Е РАБОЧИМ ОБОРУДОВАНИЕМ
1
2
2
3
3
4
5
5
6
6
6
6
7
7
8
9
10
11
12
13
14
15
FIT
1:1
100%

Артикул

Название

Примечание

Количество

1

267-97-50225

HOSE

SN: 7201-UP

1шт.

2

258-07-02212

ELBOW

SN: 7201-UP

2шт.

3

267-97-50220

HOSE

SN: 7201-UP

1шт.

4

267-13-10202

NIPPLE

SN: 7201-UP

1шт.

5

258-07-02222

ELBOW

SN: 7201-UP

2шт.

6

267-97-50220

HOSE

SN: 7201-UP

2шт.

7

258-07-02212

ELBOW

SN: 7201-UP

2шт.

8

266-58-87600

VALVE,NEUTRAL

SN: 7201-UP

1шт.

9

01010-80890

BOLT

SN: 7201-UP

3шт.

10

01580-10806

NUT

SN: 7201-UP

3шт.

11

01602-20825

WASHER,SPRING

SN: 7201-UP

3шт.

12

266-58-88260

BRACKET

SN: 7201-UP

1шт.

13

01010-80825

BOLT

SN: 7201-UP

2шт.

14

01580-10806

NUT

SN: 7201-UP

2шт.

15

01602-20825

WASHER,SPRING

SN: 7201-UP

2шт.

Выбрано товаров: 0