Запчасти Komatsu JV25CW-2 ГИДРОЛИНИЯ (HST ЛИНИЯ НАСОСА) УПРАВЛ-Е РАБОЧИМ ОБОРУДОВАНИЕМ

Схема запчастей Komatsu JV25CW-2 - ГИДРОЛИНИЯ (HST ЛИНИЯ НАСОСА) УПРАВЛ-Е РАБОЧИМ ОБОРУДОВАНИЕМ
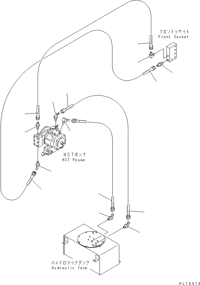
1
1
2
3
4
4
5
6
7
7
8
8
9
10
11
FIT
1:1
100%

Артикул

Название

Примечание

Количество

1

267-97-60438

HOSE

SN: 1201-UP

1шт.

2

267-13-60604

NIPPLE

SN: 1201-UP

1шт.

3

258-07-02224

ELBOW

SN: 1201-UP

1шт.

4

267-97-60423

HOSE

SN: 1201-UP

1шт.

5

258-07-03114

ELBOW

SN: 1201-UP

1шт.

6

267-13-10404

NIPPLE

SN: 1201-UP

1шт.

7

267-97-50435

HOSE

SN: 1201-UP

1шт.

8

258-07-02214

ELBOW

SN: 1201-UP

2шт.

9

267-97-50438

HOSE

SN: 1201-UP

1шт.

10

258-07-02224

ELBOW

SN: 1201-UP

1шт.

11

258-07-02214

ELBOW

SN: 1201-UP

1шт.

Выбрано товаров: 11