Запчасти Komatsu JV25CW-2 ЭЛЕКТРИКА (/) ЗАДН. РАМА КОМПОНЕНТЫ ДВИГАТЕЛЯ И ЭЛЕКТРИКА

Схема запчастей Komatsu JV25CW-2 - ЭЛЕКТРИКА (/) ЗАДН. РАМА КОМПОНЕНТЫ ДВИГАТЕЛЯ И ЭЛЕКТРИКА
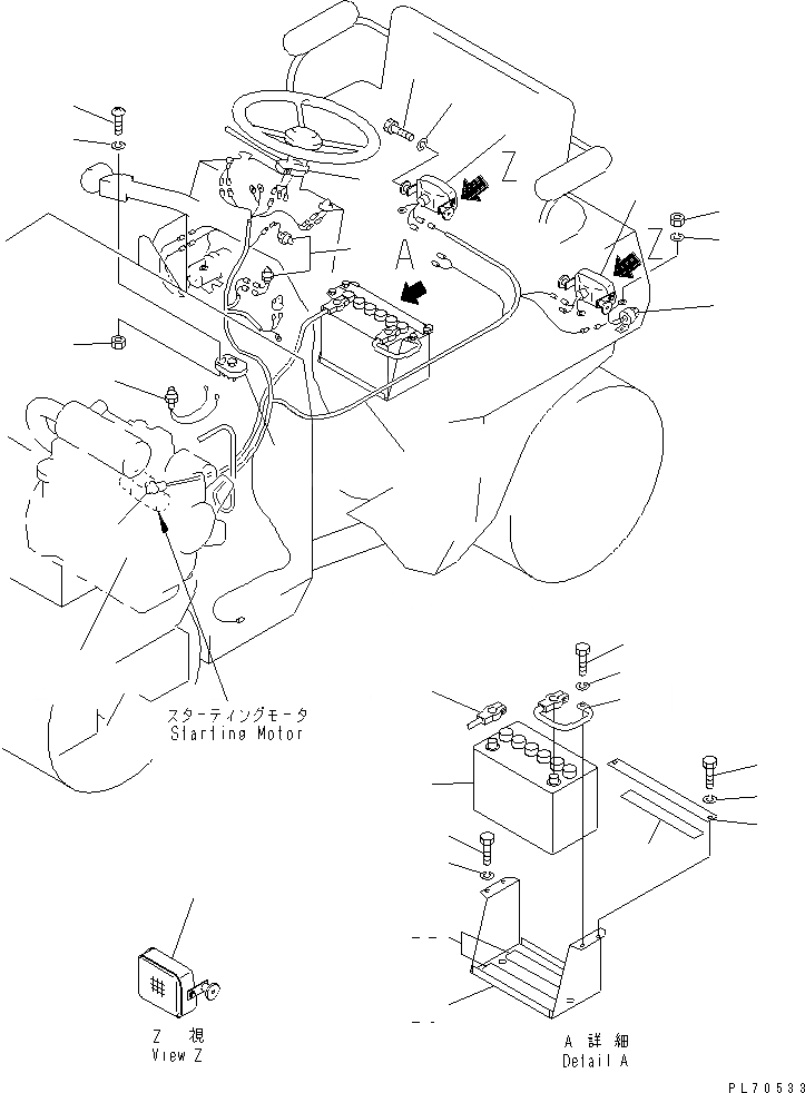
1
1
1
2
3
4
5
6
7
8
9
10
11
12
13
14
15
16
17
18
18
19
19
20
21
22
22
23
24
25
FIT
1:1
100%

Артикул

Название

Примечание

Количество

1

258-20-66209

LAMP ASS'Y

SN: 1201-UP

2шт.

1

258-20-66229

BULB, 25W

SN: 1201-UP

1шт.

2

01010-80820

BOLT

SN: 1201-UP

4шт.

3

01602-20825

WASHER,SPRING

SN: 1201-UP

4шт.

4

258-20-26970

BUZZER

SN: 1201-UP

1шт.

5

01580-10806

NUT

SN: 1201-UP

1шт.

6

01602-20825

WASHER,SPRING

SN: 1201-UP

1шт.

7

258-30-16710

SWITCH,NEUTRAL

SN: 1201-UP

2шт.

8

258-20-16910

SWITCH,TURN SIGNAL

SN: 1201-UP

1шт.

9

266-52-76900

FUSE

SN: 1201-UP

1шт.

10

258-20-16200

BOX,FUSE

SN: 1201-UP

1шт.

11

01220-40516

SCREW

SN: 1201-UP

2шт.

12

01580-10504

NUT

SN: 1201-UP

2шт.

13

01602-20513

WASHER,SPRING

SN: 1201-UP

2шт.

14

258-20-46811

HARNESS

SN: 1322-UP

1шт.

14

266-52-86801

HARNESS

SN: 1242-1321

1шт.

14

266-52-86800

HARNESS

SN: 1201-1241

1шт.

15

258-20-26130

CABLE

SN: 1201-UP

1шт.

16

265-20-13740

CAP

SN: 1201-UP

1шт.

17

266-20-22240

CABLE

SN: 1201-UP

1шт.

18

01010-80820

BOLT

SN: 1201-UP

2шт.

19

01602-20825

WASHER,SPRING

SN: 1201-UP

2шт.

20

08000-02208

BATTERY, WET(75D31R)

SN: 1201-UP

1шт.

21

258-20-16110

HOLDER

SN: 1201-UP

1шт.

22

257-20-16620

CUSHION

SN: 1201-UP

3шт.

23

259-10-25910

CASE,BATTERY

SN: 1201-UP

1шт.

24

01010-50816

BOLT

SN: 1201-UP

2шт.

25

01602-20825

WASHER,SPRING

SN: 1201-UP

2шт.

Выбрано товаров: 28