Запчасти Komatsu JV25CW-3 ЭЛЕКТРИКА (/) (ПЕРЕДН. РАМА) КОМПОНЕНТЫ ДВИГАТЕЛЯ И ЭЛЕКТРИКА

Схема запчастей Komatsu JV25CW-3 - ЭЛЕКТРИКА (/) (ПЕРЕДН. РАМА) КОМПОНЕНТЫ ДВИГАТЕЛЯ И ЭЛЕКТРИКА
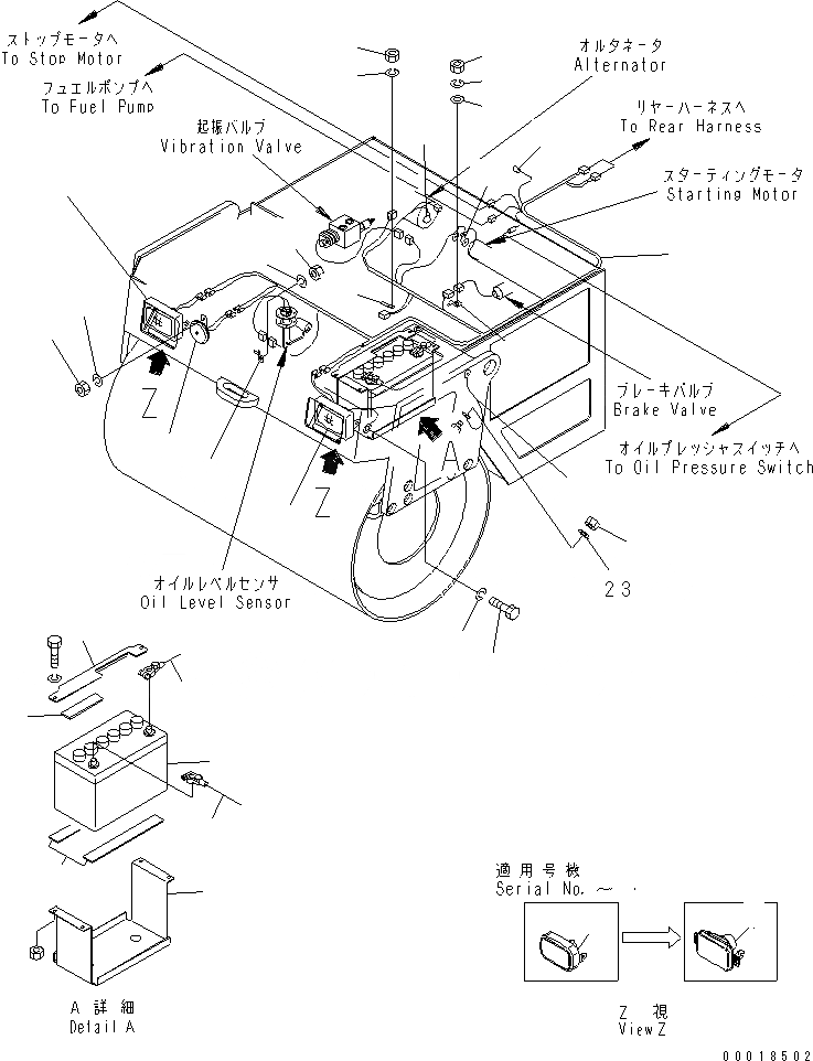
1
1
1
1
2
3
4
5
6
7
8
9
10
11
12
13
14
15
16
17
18
19
19
20
20
21
22
22
22
23
24
25
FIT
1:1
100%

Артикул

Название

Примечание

Количество

1

2691-2-16209

LAMP ASS'Y,HEAD

SN: 2001-UP

2шт.

1

2691-2-16269

BULB, 25W

SN: 2001-UP

1шт.

1

0

LAMP ASS'Y,HEAD

SN: (2001-.)

2шт.

1

2691-2-16260

BULB, 25W

SN: 2001-.

1шт.

2

265-20-13623

HORN

SN: 2001-UP

1шт.

3

257-20-16630

BATTERY

SN: 2001-UP

1шт.

3

2691-2-46630

BATTERY,(FOR COLD WEATHER)

SN: 2001-UP

1шт.

4

266-52-96110

HOLDER

SN: 2001-UP

1шт.

5

266-51-95910

CASE,BATTERY

SN: 2001-UP

1шт.

6

257-20-16620

CUSHION

SN: 2001-UP

2шт.

7

266-52-96620

CUSHION

SN: 2001-UP

1шт.

8

266-52-96830

HARNESS

SN: 2001-UP

1шт.

9

266-52-96130

CABLE

SN: 2001-UP

1шт.

10

266-20-22241

CABLE

SN: 2001-UP

1шт.

11

258-20-16841

CABLE

SN: 2001-UP

1шт.

12

265-20-13740

CAP

SN: 2001-UP

1шт.

13

265-20-13370

CAP

SN: 2001-UP

1шт.

14

258-20-56160

CLIP

SN: 2001-UP

2шт.

15

258-20-56140

CLIP

SN: 2001-UP

2шт.

16

258-20-56950

BRACKET

SN: 2001-UP

1шт.

17

01010-80820

BOLT

SN: 2001-UP

4шт.

18

01580-10605

NUT

SN: 2001-UP

1шт.

19

01580-10806

NUT

SN: 2001-UP

2шт.

20

01580-11008

NUT

SN: 2001-UP

2шт.

21

01602-20619

WASHER,SPRING

SN: 2001-UP

1шт.

22

01602-20825

WASHER,SPRING

SN: 2001-UP

6шт.

23

01602-21030

WASHER,SPRING

SN: 2001-UP

2шт.

24

01643-30823

WASHER

SN: 2001-UP

2шт.

25

YM119643-66900

DIODE

SN: 2001-UP

1шт.

Выбрано товаров: 29