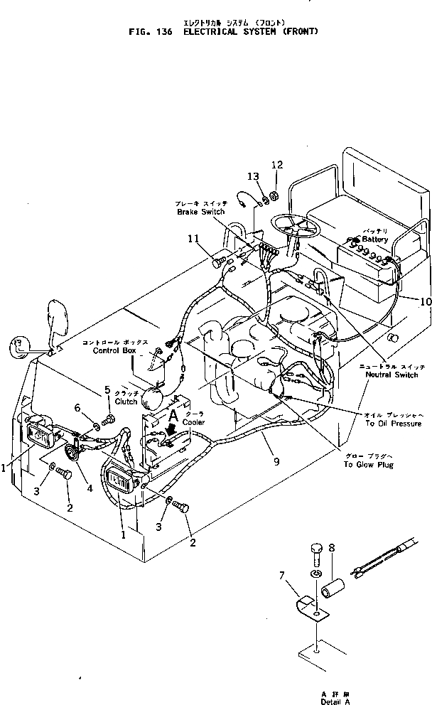
Запчасти Komatsu JV28-1 ЭЛЕКТРИКА (ПЕРЕДН.) ДВИГАТЕЛЬ¤ КОМПОНЕНТЫ ДВИГАТЕЛЯ И ЭЛЕКТРИКА

Схема запчастей Komatsu JV28-1 - ЭЛЕКТРИКА (ПЕРЕДН.) ДВИГАТЕЛЬ¤ КОМПОНЕНТЫ ДВИГАТЕЛЯ И ЭЛЕКТРИКА
FIT
1:1
100%

Артикул

Название

Примечание

Количество

|1

2691-2-16200

LAMP ASS'Y,HEAD

SN: 1001-UP

2шт.

1

2691-2-16260

BULB¤ 25W

SN: 1001-UP

1шт.

2

01010-30820

BOLT

SN: 1001-UP

4шт.

3

01602-00825

WASHER

SN: 1001-UP

4шт.

4

265-20-13622

HORN

SN: 1001-UP

1шт.

5

01010-30816

BOLT

SN: 1001-UP

1шт.

6

01602-00825

WASHER

SN: 1001-UP

1шт.

7

265-82-12010

CLIP

SN: 1001-UP

1шт.

8

265-70-10004

TUBE

SN: 1001-UP

1шт.

9

266-20-56110

HARNESS

SN: 1001-UP

1шт.

10

2691-2-16330

CABLE

SN: 1001-UP

1шт.

11

01010-30616

BOLT

SN: 1001-UP

1шт.

12

01580-00605

NUT

SN: 1001-UP

1шт.

13

01602-00619

WASHER

SN: 1001-UP

1шт.

Выбрано товаров: 14