Запчасти Komatsu JV28-1 HST МОТОР (/) ТРАНСМИССИЯ И ТОРМОЗ.

Схема запчастей Komatsu JV28-1 - HST МОТОР (/) ТРАНСМИССИЯ И ТОРМОЗ.
FIT
1:1
100%

Артикул

Название

Примечание

Количество

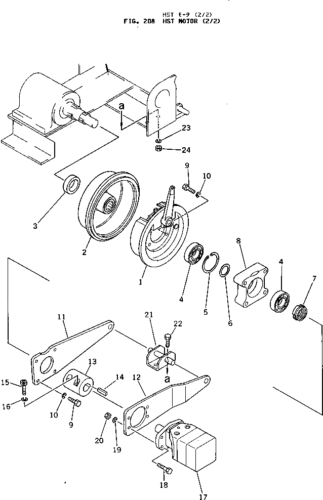
1

258-40-15100

BRAKE ASS'Y

SN: 1001-UP

1шт.

2

258-40-13120

DRUM

SN: 1001-UP

1шт.

3

266-30-52150

SPACER

SN: 1001-UP

1шт.

4

06006-06207

BEARING

SN: 1001-UP

2шт.

5

04065-07225

RING

SN: 1001-UP

1шт.

6

258-40-13130

COLLAR

SN: 1001-UP

1шт.

7

267-15-41407

NUT

SN: 1001-UP

1шт.

8

258-40-13140

CASE

SN: 1001-UP

1шт.

9

01010-31430

BOLT

SN: 1001-UP

8шт.

10

01602-01442

WASHER

SN: 1001-UP

8шт.

11

266-30-52210

ARM

SN: 1001-UP

1шт.

12

266-30-52620

ARM

SN: 1001-UP

1шт.

13

266-30-52610

JOINT

SN: 1001-UP

1шт.

14

266-80-57210

KEY

SN: 1001-UP

1шт.

15

01252-30835

BOLT

SN: 1001-UP

2шт.

16

01602-00825

WASHER

SN: 1001-UP

2шт.

17

266-80-57200

MOTOR

SN: 1001-UP

1шт.

18

01010-31240

BOLT

SN: 1001-UP

4шт.

19

01602-01236

WASHER

SN: 1001-UP

4шт.

20

01580-01210

NUT

SN: 1001-UP

4шт.

21

266-30-52400

BRACKET

SN: 1001-UP

1шт.

22

01010-31235

BOLT

SN: 1001-UP

2шт.

23

01602-01236

WASHER

SN: 1001-UP

2шт.

24

01580-01210

NUT

SN: 1001-UP

2шт.

Выбрано товаров: 24