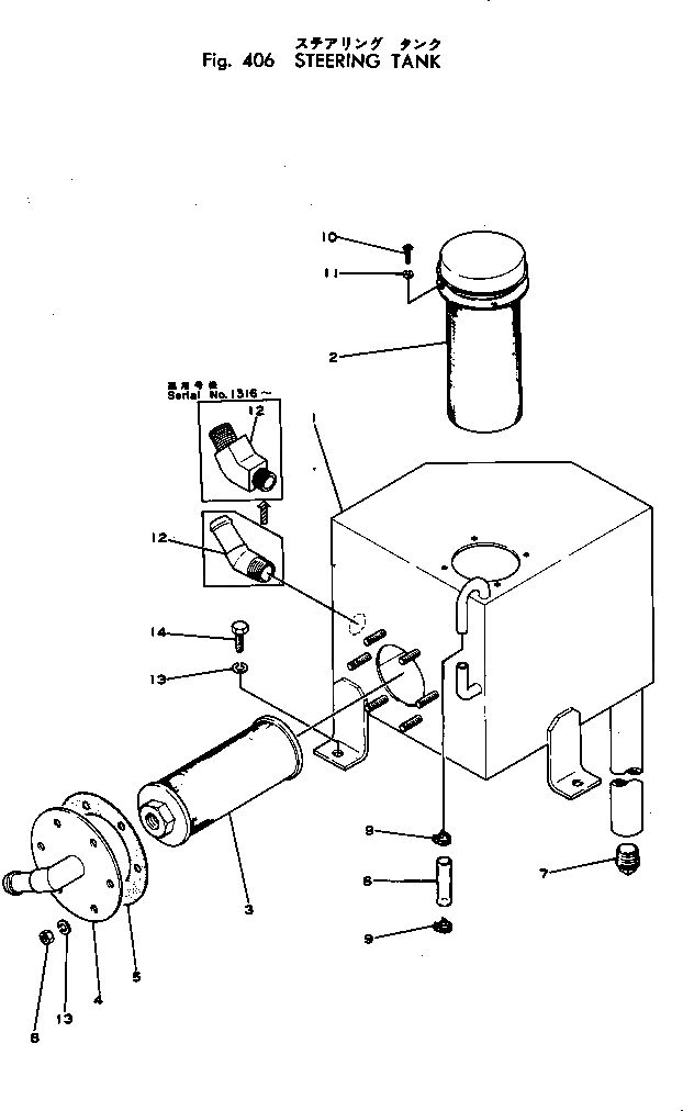
Запчасти Komatsu JV32W-1 РУЛЕВ. УПРАВЛЕНИЕ БАК СИСТЕМАУПРАВЛЕНИЯ ПОВОРОТОМ

Схема запчастей Komatsu JV32W-1 - РУЛЕВ. УПРАВЛЕНИЕ БАК СИСТЕМАУПРАВЛЕНИЯ ПОВОРОТОМ
FIT
1:1
100%

Артикул

Название

Примечание

Количество

|1

2691-6-17100

TANK ASS'Y

SN: 1001-UP

1шт.

1

2691-6-13801

TANK

SN: 1081-UP

1шт.

|1

2691-6-13800

TANK

SN: 1001-1080

1шт.

2

2691-6-13711

BREATHER

SN: 1081-UP

1шт.

|2

2691-6-13710

BREATHER

SN: 1001-1080

1шт.

3

2691-6-13720

FILTER

SN: 1001-UP

1шт.

4

2691-6-13900

FLANGE

SN: 1001-UP

1шт.

5

2691-6-13730

GASKET

SN: 1001-UP

1шт.

6

07270-01070

TUBE

SN: 1001-UP

1шт.

7

07042-00415

PLUG

SN: 1001-UP

1шт.

8

01580-30806

NUT

SN: 1001-UP

6шт.

9

266-92-10012

CLAMP

SN: 1001-UP

2шт.

10

01235-40510

SCREW

SN: 1001-UP

4шт.

11

01601-00513

WASHER

SN: 1001-UP

4шт.

12

267-11-31453

ELBOW

SN: 1316-UP

1шт.

|12

2691-6-18100

ELBOW

SN: 1001-1315

1шт.

13

01602-00825

WASHER

SN: 1001-UP

9шт.

14

01010-30820

BOLT

SN: 1001-UP

3шт.

Выбрано товаров: 18