Запчасти Komatsu JV32W-1 ГОЛОВКА ЦИЛИНДРОВ И КЛАПАН ДВИГАТЕЛЬ¤ КОМПОНЕНТЫ ДВИГАТЕЛЯ И ЭЛЕКТРИКА

Схема запчастей Komatsu JV32W-1 - ГОЛОВКА ЦИЛИНДРОВ И КЛАПАН ДВИГАТЕЛЬ¤ КОМПОНЕНТЫ ДВИГАТЕЛЯ И ЭЛЕКТРИКА
FIT
1:1
100%

Артикул

Название

Примечание

Количество

|$0

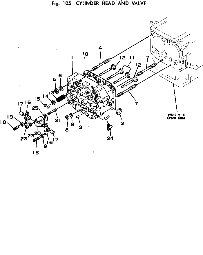
2691-2-11100

ENGINE ASS'Y

SN: 1001-UP

1шт.

|$1

2691-7-13200

CYLINDER HEAD A.

SN: 1001-UP

1шт.

1

0

HEAD

SN: 1001-UP

1шт.

2

2691-7-13220

PLUG

SN: 1001-UP

2шт.

3

2691-7-13230

PIN

SN: 1001-UP

2шт.

4

2691-7-13310

STUD,(1)

SN: 1001-UP

7шт.

5

2691-7-13320

NUT

SN: 1001-UP

7шт.

6

2691-7-13330

WASHER

SN: 1001-UP

7шт.

7

2691-7-13340

STUD,(2)

SN: 1001-UP

2шт.

8

2691-7-13350

NUT

SN: 1001-UP

2шт.

9

2691-7-13360

WASHER

SN: 1001-UP

2шт.

10

2691-7-13370

GASKET

SN: 1001-UP

1шт.

11

2691-7-13380

SPRING,INLET

SN: 1001-UP

2шт.

12

2691-7-13390

VALVE,EXHAUST

SN: 1001-UP

2шт.

13

2691-7-13410

SPRING

SN: 1001-UP

4шт.

14

2691-7-13420

RETAINER

SN: 1001-UP

4шт.

15

2691-7-13430

COLLET

SN: 1001-UP

8шт.

|$17

2691-7-13440

ARM ASS'Y,ROCKER (1)

SN: 1001-UP

2шт.

|$18

2691-7-13500

ARM ASS'Y,ROCKER (2)

SN: 1001-UP

2шт.

16

0

ARM,ROCKER (1)

SN: 1001-UP

1шт.

16

0

ARM,ROCKER (2)

SN: 1001-UP

1шт.

17

2691-7-13530

BUSHING

SN: 1001-UP

2шт.

18

2691-7-13540

SCREW

SN: 1001-UP

2шт.

19

2691-7-13550

ARM ASS'Y

SN: 1001-UP

2шт.

20

2691-7-13610

ROCKER ARM SHAFT A.

SN: 1001-UP

2шт.

21

2691-7-13620

STUD

SN: 1001-UP

2шт.

22

2691-7-13630

NUT

SN: 1001-UP

2шт.

23

2691-7-13640

WASHER

SN: 1001-UP

2шт.

24

2691-7-13650

VALVE

SN: 1001-UP

1шт.

25

2691-7-13660

GUIDE

SN: 1001-UP

2шт.

Выбрано товаров: 30