Запчасти Komatsu JV32W-1A ТОПЛИВН. БАК. ДВИГАТЕЛЬ¤ КОМПОНЕНТЫ ДВИГАТЕЛЯ И ЭЛЕКТРИКА

Схема запчастей Komatsu JV32W-1A - ТОПЛИВН. БАК. ДВИГАТЕЛЬ¤ КОМПОНЕНТЫ ДВИГАТЕЛЯ И ЭЛЕКТРИКА
FIT
1:1
100%

Артикул

Название

Примечание

Количество

|$0

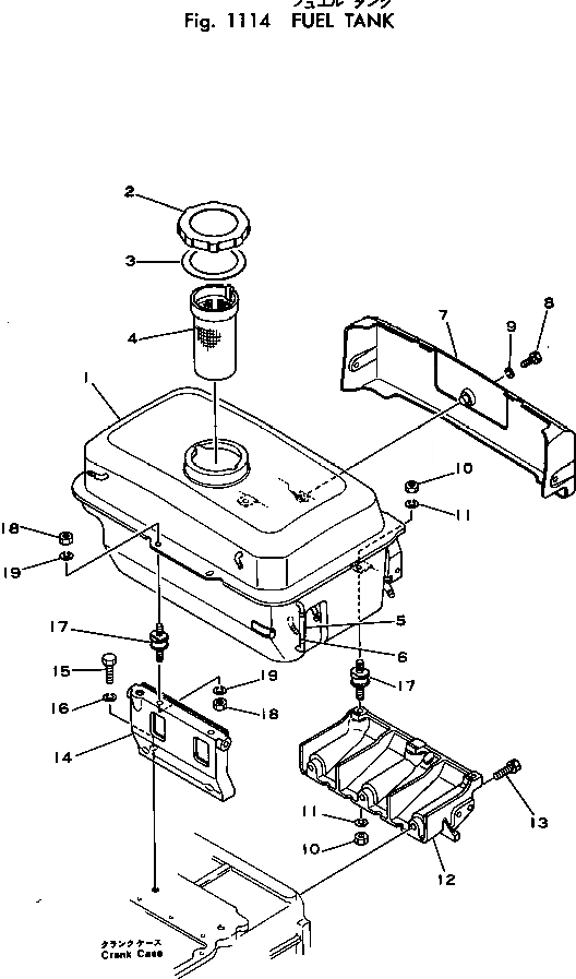
2791-2-11101

ENGINE ASS'Y

SN: 2001-UP

1шт.

|$1

KT14952-4101-1

FUEL TANK ASS'Y

SN: 2001-UP

1шт.

1

KT14952-4102-1

TANK

SN: 2001-UP

1шт.

2

KT14261-4126-4

CAP

SN: 2001-UP

1шт.

3

KT14681-4134-3

GASKET

SN: 2001-UP

1шт.

4

KT14261-4135-2

FILTER

SN: 2001-UP

1шт.

5

KT14952-4172-1

GAUGE

SN: 2001-UP

1шт.

6

KT14301-4236-1

CLIP

SN: 2001-UP

2шт.

7

KT14952-4122-1

COVER

SN: 2001-UP

1шт.

8

KT01222-50618

BOLT

SN: 2001-UP

3шт.

9

KT04512-50060

WASHER

SN: 2001-UP

3шт.

10

KT02114-50080

NUT

SN: 2001-UP

4шт.

11

KT04512-50080

WASHER

SN: 2001-UP

4шт.

12

KT14952-4119-1

BRACKET

SN: 2001-UP

1шт.

13

KT01123-50828

BOLT

SN: 2001-UP

3шт.

14

KT14952-4113-1

SUPPORT

SN: 2001-UP

1шт.

15

KT01153-51028

BOLT

SN: 2001-UP

2шт.

16

KT04512-50100

WASHER

SN: 2001-UP

2шт.

17

KT14911-4141-1

RUBBER

SN: 2001-UP

4шт.

18

KT02114-50080

NUT

SN: 2001-UP

4шт.

19

KT04512-50080

WASHER

SN: 2001-UP

4шт.

Выбрано товаров: 21