Запчасти Komatsu JV32W-1A ПРИВОД МУФТА ВАЛ И ПОДЪЕМ-ОПУСК. ВАЛ ТРАНСМИССИЯ И ТОРМОЗ.

Схема запчастей Komatsu JV32W-1A - ПРИВОД МУФТА ВАЛ И ПОДЪЕМ-ОПУСК. ВАЛ ТРАНСМИССИЯ И ТОРМОЗ.
FIT
1:1
100%

Артикул

Название

Примечание

Количество

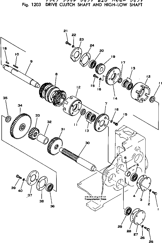
1

01010-30820

BOLT

SN: 2001-UP

4шт.

2

01602-00825

WASHER

SN: 2001-UP

4шт.

3

2691-3-11690

CAP

SN: 2001-UP

1шт.

4

2691-3-11350

GASKET

SN: 2001-UP

1шт.

5

06000-06305

BEARING

SN: 2001-UP

1шт.

6

2691-3-11650

SPACER

SN: 2001-UP

1шт.

7

2691-3-11630

GEAR

SN: 2001-UP

1шт.

8

2691-3-11401

CLUTCH ASS'Y,F-R

SN: 2001-UP

1шт.

9

2691-3-11670

SHAFT

SN: 2001-UP

1шт.

10

04000-01040

KEY

SN: 2001-UP

1шт.

11

2691-3-11660

SPACER

SN: 2001-UP

2шт.

12

2691-3-11640

HOUSING

SN: 2001-UP

2шт.

13

06000-06006

BEARING

SN: 2001-UP

4шт.

14

269-13-11680

GEAR

SN: 2001-UP

1шт.

15

01252-31025

BOLT

SN: 2001-UP

8шт.

16

01602-01030

WASHER

SN: 2001-UP

8шт.

17

2691-3-11620

SPACER

SN: 2001-UP

1шт.

18

04000-00725

KEY

SN: 2001-UP

1шт.

19

2691-3-11610

GEAR

SN: 2001-UP

1шт.

20

06000-06305

BEARING

SN: 2001-UP

1шт.

21

01010-30820

BOLT

SN: 2001-UP

4шт.

22

01602-00825

WASHER

SN: 2001-UP

4шт.

23

2691-3-11690

CAP

SN: 2001-UP

1шт.

24

2691-3-11350

GASKET

SN: 2001-UP

1шт.

25

01010-00820

BOLT

SN: 2001-UP

4шт.

26

01602-00825

WASHER

SN: 2001-UP

4шт.

27

2691-3-11810

CAP

SN: 2001-UP

1шт.

28

2691-3-11820

GASKET

SN: 2001-UP

1шт.

29

06000-06206

BEARING

SN: 2001-UP

1шт.

30

2691-3-11860

SHAFT

SN: 2001-UP

1шт.

31

2691-3-11840

GEAR

SN: 2001-UP

1шт.

31

2691-9-16110

GEAR,(FOR HIGHER TRAVEL SPEED) (KIT)

SN: 2001-UP

1шт.

32

2691-3-11910

SPACER

SN: 2001-UP

1шт.

33

2691-3-11831

GEAR

SN: 2001-UP

1шт.

34

2691-3-11850

GEAR

SN: 2001-UP

1шт.

35

2691-3-11870

SPACER

SN: 2001-UP

1шт.

36

06000-06206

BEARING

SN: 2001-UP

1шт.

37

2691-3-11810

CAP

SN: 2001-UP

1шт.

38

2691-3-11820

GASKET

SN: 2001-UP

1шт.

39

01010-30820

BOLT

SN: 2001-UP

4шт.

40

01602-00825

WASHER

SN: 2001-UP

4шт.

Выбрано товаров: 41