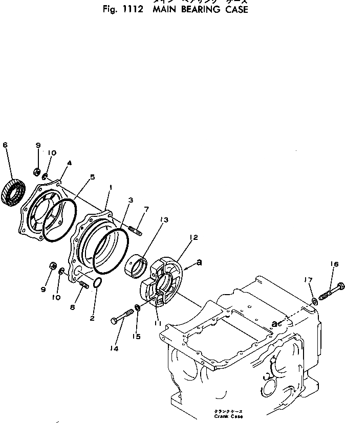
Запчасти Komatsu JV32W-1A ОСНОВН. ПОДШИПНИК КОРПУС ДВИГАТЕЛЬ¤ КОМПОНЕНТЫ ДВИГАТЕЛЯ И ЭЛЕКТРИКА

Схема запчастей Komatsu JV32W-1A - ОСНОВН. ПОДШИПНИК КОРПУС ДВИГАТЕЛЬ¤ КОМПОНЕНТЫ ДВИГАТЕЛЯ И ЭЛЕКТРИКА
FIT
1:1
100%

Артикул

Название

Примечание

Количество

|1

2691-2-11101

ENGINE ASS'Y

SN: 2001-UP

1шт.

1

KT14952-0435-1

CASE

SN: 2001-UP

1шт.

2

KT04811-10260

O-RING

SN: 2001-UP

1шт.

3

KT04811-11320

O-RING

SN: 2001-UP

1шт.

4

KT14952-0481-1

CASE

SN: 2001-UP

1шт.

5

KT04811-11100

O-RING

SN: 2001-UP

1шт.

6

KT09564-57212

SEAL

SN: 2001-UP

1шт.

7

KT01513-50828

STUD

SN: 2001-UP

7шт.

8

KT01513-50818

STUD

SN: 2001-UP

1шт.

9

KT02156-50080

NUT

SN: 2001-UP

8шт.

10

KT04512-50080

WASHER

SN: 2001-UP

8шт.

|11

KT14952-0405-1

CASE ASS'Y

SN: 2001-UP

1шт.

11

KT14952-0488-1

CASE

SN: 2001-UP

1шт.

12

KT14952-0489-1

CASE

SN: 2001-UP

1шт.

13

KT14952-2348-1

METAL

SN: 2001-UP

2шт.

14

KT15521-0454-3

BOLT

SN: 2001-UP

2шт.

15

KT15521-9401-1

WASHER

SN: 2001-UP

2шт.

16

KT15291-0456-2

BOLT

SN: 2001-UP

1шт.

17

KT15521-9402-1

WASHER

SN: 2001-UP

1шт.

Выбрано товаров: 19