Запчасти Komatsu JV32W-1A КОРПУС ТРАНСМИССИИ ТРАНСМИССИЯ И ТОРМОЗ.

Схема запчастей Komatsu JV32W-1A - КОРПУС ТРАНСМИССИИ ТРАНСМИССИЯ И ТОРМОЗ.
FIT
1:1
100%

Артикул

Название

Примечание

Количество

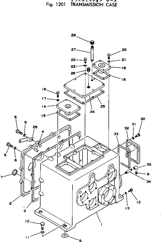
|1

2691-3-11100

CASE ASS'Y

SN: 2001-UP

1шт.

1

2691-3-11110

CASE

SN: 2001-UP

1шт.

2

2691-3-11120

CAP

SN: 2001-UP

1шт.

3

2691-3-11131

GASKET

SN: 2001-UP

1шт.

4

268-30-11130

PIN

SN: 2001-UP

2шт.

5

01010-31030

BOLT

SN: 2001-UP

12шт.

6

01602-01030

WASHER

SN: 2001-UP

12шт.

7

265-30-21460

GAUGE

SN: 2001-UP

1шт.

8

07042-00312

PLUG

SN: 2001-UP

1шт.

9

2691-3-11140

SHIM

SN: 2001-UP

-2шт.

10

01010-31235

BOLT

SN: 2001-UP

2шт.

11

01602-01236

WASHER

SN: 2001-UP

2шт.

12

01010-31230

BOLT

SN: 2001-UP

2шт.

13

01602-01236

WASHER

SN: 2001-UP

2шт.

14

2691-3-11210

CAP

SN: 2001-UP

1шт.

15

2691-3-11250

GASKET

SN: 2001-UP

1шт.

16

01010-30825

BOLT

SN: 2001-UP

4шт.

17

01602-00825

WASHER

SN: 2001-UP

4шт.

18

2691-3-11220

CAP

SN: 2001-UP

1шт.

19

2691-3-11260

GASKET

SN: 2001-UP

1шт.

20

01010-30825

BOLT

SN: 2001-UP

4шт.

21

01602-00825

WASHER

SN: 2001-UP

4шт.

22

01010-30825

BOLT

SN: 2001-UP

8шт.

23

01602-00825

WASHER

SN: 2001-UP

8шт.

24

2691-3-11240

CAP

SN: 2001-UP

1шт.

25

2691-3-11280

GASKET

SN: 2001-UP

1шт.

26

07042-00617

PLUG

SN: 2001-UP

1шт.

27

268-30-11240

PIPE

SN: 2001-UP

1шт.

28

02725-00617

CAP

SN: 2001-UP

1шт.

29

2691-3-13130

HOOK

SN: 2001-UP

1шт.

30

01010-30825

BOLT

SN: 2001-UP

4шт.

31

01602-00825

WASHER

SN: 2001-UP

4шт.

32

2691-3-11230

CAP

SN: 2001-UP

1шт.

33

2691-3-11270

GASKET

SN: 2001-UP

1шт.

34

2691-3-13140

NIPPLE

SN: 2001-UP

1шт.

35

266-13-06000

ELBOW

SN: 2001-UP

1шт.

Выбрано товаров: 36