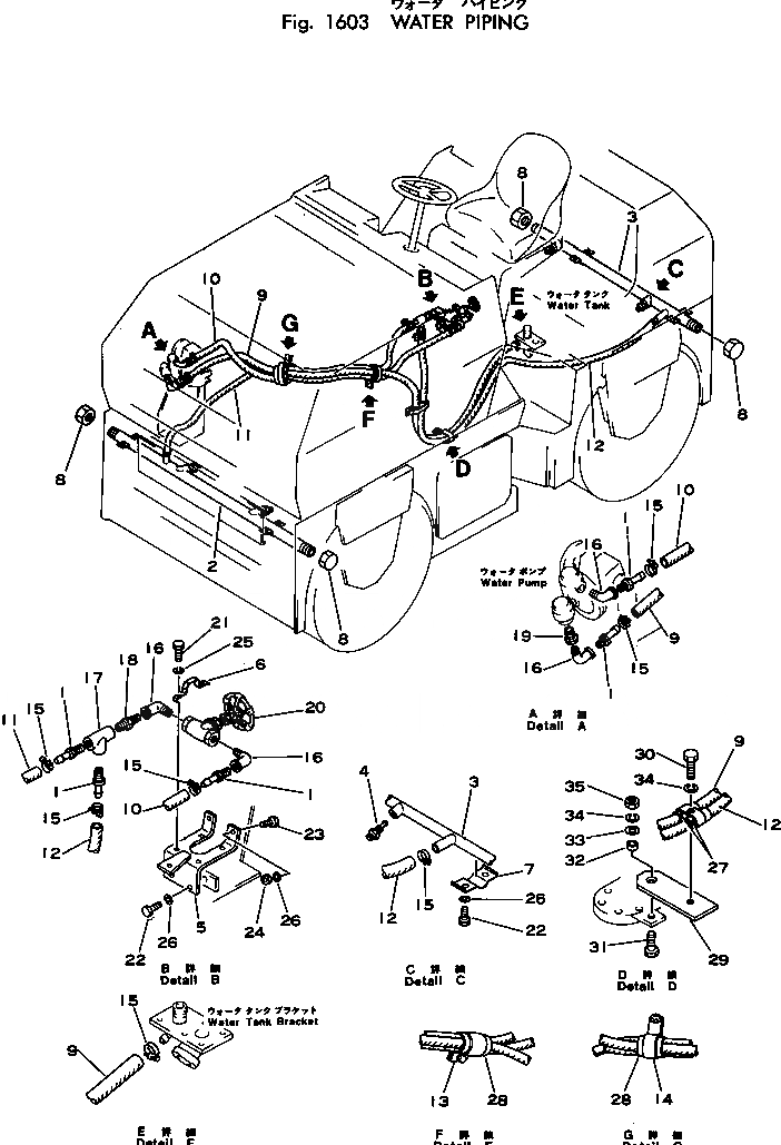
Запчасти Komatsu JV32W-1A ВОДН. ГИДРОЛИНИЯ СИСТЕМА РАЗБРЫЗГИВАНИЯ ВОДЫ И МАСЛ. БАК

Схема запчастей Komatsu JV32W-1A - ВОДН. ГИДРОЛИНИЯ СИСТЕМА РАЗБРЫЗГИВАНИЯ ВОДЫ И МАСЛ. БАК
FIT
1:1
100%

Артикул

Название

Примечание

Количество

1

2691-8-15140

NIPPLE

SN: 2001-UP

5шт.

2

2691-8-15204

PIPE

SN: 2022-UP

1шт.

|2

2691-8-15203

PIPE

SN: 2001-2021

1шт.

3

2691-8-15304

PIPE

SN: 2022-UP

1шт.

|3

2691-8-15303

PIPE

SN: 2001-2021

1шт.

4

2691-8-15612

NOZZLE

SN: 2022-UP

6шт.

|4

2691-8-15611

NOZZLE

SN: 2001-2021

4шт.

5

2691-8-15701

BRACKET

SN: 2001-UP

1шт.

6

2691-8-15810

SUPPORT

SN: 2001-UP

2шт.

7

2691-8-15820

CLIP

SN: 2001-UP

4шт.

8

2691-8-15831

CAP

SN: 2001-UP

4шт.

9

2691-8-15510

HOSE

SN: 2001-UP

1шт.

10

2691-8-15520

HOSE

SN: 2001-UP

1шт.

11

2691-8-15530

HOSE

SN: 2001-UP

1шт.

12

2691-8-15540

HOSE

SN: 2001-UP

1шт.

13

2691-8-15840

CLIP

SN: 2001-UP

1шт.

14

2691-8-15850

CLIP

SN: 2001-UP

1шт.

15

07280-02023

CLAMP

SN: 2001-UP

8шт.

16

07323-20300

ELBOW

SN: 2001-UP

4шт.

17

07324-00300

TEE

SN: 2001-UP

1шт.

18

07325-00300

NIPPLE

SN: 2001-UP

1шт.

19

07326-00403

ADAPTER

SN: 2001-UP

1шт.

20

266-07-06000

VALVE

SN: 2001-UP

1шт.

21

01010-30612

BOLT

SN: 2001-UP

4шт.

22

01010-30816

BOLT

SN: 2001-UP

10шт.

23

01010-30820

BOLT

SN: 2001-UP

2шт.

24

01580-30806

NUT

SN: 2001-UP

2шт.

25

01602-00619

WASHER

SN: 2001-UP

4шт.

26

01602-00825

WASHER

SN: 2001-UP

12шт.

27

2691-6-18710

PROTECTOR

SN: 2001-UP

4шт.

28

2691-8-15860

PROTECTOR

SN: 2001-UP

2шт.

29

2691-8-15870

PLATE

SN: 2001-UP

1шт.

30

01010-30835

BOLT

SN: 2001-UP

1шт.

31

01010-30820

BOLT

SN: 2001-UP

1шт.

32

2691-8-15890

COLLAR

SN: 2001-UP

1шт.

33

01641-00812

WASHER

SN: 2001-UP

1шт.

34

01602-00825

WASHER

SN: 2001-UP

1шт.

35

01580-30806

NUT

SN: 2001-UP

1шт.

Выбрано товаров: 38