Запчасти Komatsu JV32W-2 ГОЛОВКА ЦИЛИНДРОВ ДВИГАТЕЛЬ¤ КОМПОНЕНТЫ ДВИГАТЕЛЯ И ЭЛЕКТРИКА

Схема запчастей Komatsu JV32W-2 - ГОЛОВКА ЦИЛИНДРОВ ДВИГАТЕЛЬ¤ КОМПОНЕНТЫ ДВИГАТЕЛЯ И ЭЛЕКТРИКА
FIT
1:1
100%

Артикул

Название

Примечание

Количество

|1

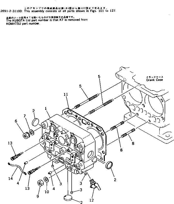
2691-2-31100

ENGINE ASS'Y

SN: 2501-UP

1шт.

|$$2

THIS ASSEMBLY CONSISTS OF ALL PARTS SHOWN IN FIGS.101 TO 127.

-1шт.

|$$3

THE KUBOTA PART NUMBER IS THAT KT IS REMOVED FROM KOMATSU PART NUMBER LISTED BELOW.

-1шт.

|1

KT14962-0304-2

CYLINDER HEAD ASS'Y

SN: 2501-UP

1шт.

1

KT14962-0311-2

HEAD,CYLINDER

SN: 2501-UP

1шт.

2

KT15321-9626-3

PLUG

SN: 2501-UP

3шт.

3

KT14681-9685-1

PLUG

SN: 2501-UP

3шт.

4

KT14301-3396-1

PIN,PIPE

SN: 2501-UP

2шт.

5

KT14911-0341-2

STUD,HEAD

SN: 2501-UP

7шт.

6

KT14952-0351-1

NUT,HEAD

SN: 2501-UP

7шт.

7

KT15121-0354-2

WASHER

SN: 2501-UP

7шт.

8

KT15221-0341-2

STUD,HEAD

SN: 2501-UP

2шт.

9

KT15221-0351-1

NUT,HEAD

SN: 2501-UP

2шт.

10

KT15221-0354-1

WASHER

SN: 2501-UP

2шт.

11

KT14952-0331-2

GASKET,HEAD

SN: 2501-UP

1шт.

12

KT14301-7311-5

COCK,DRAIN

SN: 2501-UP

1шт.

13

KT15521-6551-1

PLUG,GLOW

SN: 2501-UP

2шт.

14

KT14958-6556-1

CORD

SN: 2501-UP

1шт.

Выбрано товаров: 0