Запчасти Komatsu JV32W-2 НАТЯЖНОЙ РОЛИК ДВИГАТЕЛЬ¤ КОМПОНЕНТЫ ДВИГАТЕЛЯ И ЭЛЕКТРИКА

Схема запчастей Komatsu JV32W-2 - НАТЯЖНОЙ РОЛИК ДВИГАТЕЛЬ¤ КОМПОНЕНТЫ ДВИГАТЕЛЯ И ЭЛЕКТРИКА
FIT
1:1
100%

Артикул

Название

Примечание

Количество

|1

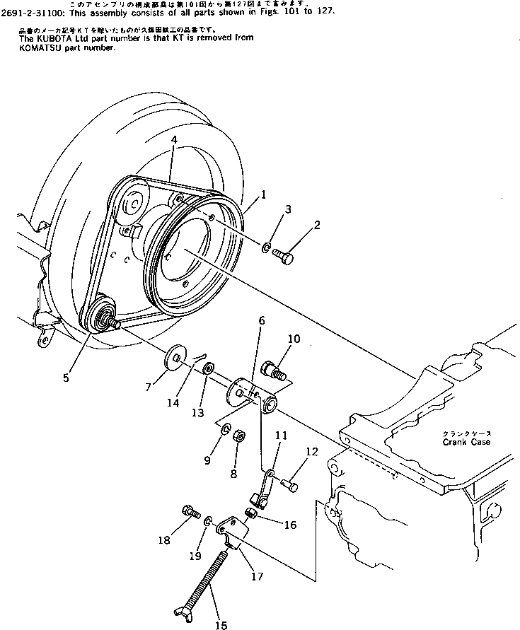
2691-2-31100

ENGINE ASS'Y

SN: 2501-UP

1шт.

|$$2

THIS ASSEMBLY CONSISTS OF ALL PARTS SHOWN IN FIGS.101 TO 127.

-1шт.

|$$3

THE KUBOTA PART NUMBER IS THAT KT IS REMOVED FROM KOMATSU PART NUMBER LISTED BELOW.

-1шт.

1

KT14952-7428-1

PULLEY,FAN DRIVE

SN: 2501-UP

1шт.

2

KT01150-50818

BOLT

SN: 2501-UP

3шт.

3

KT04512-50080

WASHER,SPRING

SN: 2501-UP

3шт.

4

KT14301-74050

V-BELT

SN: 2501-UP

1шт.

|5

KT14952-7430-1

PULLEY ASS'Y

SN: 2501-UP

1шт.

5

KT14911-7132-1

PULLEY,TENSION

SN: 2501-UP

1шт.

6

KT14952-7441-1

SUPPORT

SN: 2501-UP

1шт.

7

KT14911-7477-1

CAP

SN: 2501-UP

1шт.

8

KT02114-50080

NUT

SN: 2501-UP

1шт.

9

KT04512-50080

WASHER,SPRING

SN: 2501-UP

1шт.

10

KT14952-9131-1

BOLT

SN: 2501-UP

1шт.

11

KT14952-7436-1

ARM

SN: 2501-UP

1шт.

12

KT05122-50814

PIN

SN: 2501-UP

1шт.

13

KT04012-50080

WASHER

SN: 2501-UP

1шт.

14

KT05511-50215

PIN,COTTER

SN: 2501-UP

1шт.

15

KT14911-7494-1

BOLT

SN: 2501-UP

1шт.

16

KT02114-50080

NUT

SN: 2501-UP

1шт.

17

KT14952-7495-1

GUIDE

SN: 2501-UP

1шт.

18

KT01150-50816

BOLT

SN: 2501-UP

1шт.

19

KT04512-50080

WASHER,SPRING

SN: 2501-UP

1шт.

Выбрано товаров: 0