Запчасти Komatsu JV32W-2 ПЕРЕД. И РЕВЕРС РЫЧАГ УПРАВЛ-Я ТРАНСМИССИЯ И ТОРМОЗ.

Схема запчастей Komatsu JV32W-2 - ПЕРЕД. И РЕВЕРС РЫЧАГ УПРАВЛ-Я ТРАНСМИССИЯ И ТОРМОЗ.
FIT
1:1
100%

Артикул

Название

Примечание

Количество

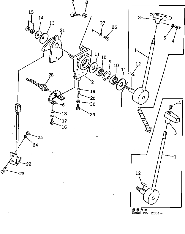
1

258-30-16302

LEVER,F-R

SN: 2561-UP

1шт.

|1

258-30-16301

LEVER,F-R

SN: 2501-2560

1шт.

2

258-30-16401

HOUSING

SN: 2561-UP

1шт.

|2

258-30-16400

HOUSING

SN: 2501-2560

1шт.

3

203-43-41340

KNOB

SN: 2561-UP

1шт.

|3

257-30-16530

KNOB

SN: 2501-2560

1шт.

4

01236-40625

SCREW

SN: 2561-UP

1шт.

|4

01220-30508

SCREW

SN: 2501-2560

1шт.

5

01602-00513

WASHER,SPRING

SN: 2501-UP

2шт.

6

258-30-16800

BRACKET

SN: 2501-UP

1шт.

7

01010-30825

BOLT

SN: 2561-UP

2шт.

8

01580-00806

NUT

SN: 2560-UP

2шт.

9

04062-04718

RING,SNAP

SN: 2501-UP

1шт.

10

06006-06005

BEARING

SN: 2501-UP

2шт.

11

258-30-16520

FACING

SN: 2501-UP

2шт.

12

04000-00735

KEY

SN: 2501-UP

1шт.

13

266-20-28350

SPRING

SN: 2501-UP

1шт.

14

266-91-14000

WASHER

SN: 2501-UP

1шт.

15

01580-01411

NUT

SN: 2501-UP

2шт.

16

01010-30816

BOLT

SN: 2501-UP

2шт.

17

01602-00825

WASHER,SPRING

SN: 2501-UP

2шт.

18

01641-00812

WASHER

SN: 2501-UP

2шт.

19

04260-01270

BALL

SN: 2561-UP

1шт.

|19

04260-00952

BALL

SN: 2501-2560

1шт.

20

265-30-18920

SPRING

SN: 2501-UP

1шт.

21

258-30-16601

LEVER

SN: 2561-UP

1шт.

|21

258-30-16600

LEVER

SN: 2501-2560

1шт.

22

258-30-16210

BRACKET

SN: 2501-UP

1шт.

23

01010-30825

BOLT

SN: 2501-UP

2шт.

24

01602-00825

WASHER,SPRING

SN: 2501-UP

2шт.

25

01580-00806

NUT

SN: 2501-UP

2шт.

26

01010-30816

BOLT

SN: 2501-UP

4шт.

27

01602-00825

WASHER,SPRING

SN: 2501-UP

4шт.

28

258-30-16710

SWITCH

SN: 2501-UP

1шт.

29

01010-31230

BOLT

SN: 2501-UP

1шт.

30

01580-01210

NUT

SN: 2501-UP

1шт.

Выбрано товаров: 36