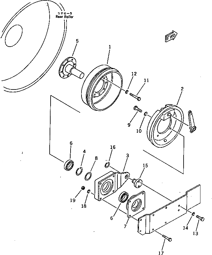
Запчасти Komatsu JV32W-2 ЗАДН. РОЛИК (/) (СТОЯНОЧНЫЙ ТОРМОЗ И ЭЛЕМЕНТЫ КРЕПЛЕНИЯ) РОЛИК И КОНЕЧНАЯ ПЕРЕДАЧА

Схема запчастей Komatsu JV32W-2 - ЗАДН. РОЛИК (/) (СТОЯНОЧНЫЙ ТОРМОЗ И ЭЛЕМЕНТЫ КРЕПЛЕНИЯ) РОЛИК И КОНЕЧНАЯ ПЕРЕДАЧА
FIT
1:1
100%

Артикул

Название

Примечание

Количество

1

2691-5-31720

DRUM,BRAKE

SN: 2501-UP

1шт.

2

257-40-25100

BRAKE ASS'Y

SN: 2501-UP

1шт.

3

2691-5-33800

ARM,BRAKE

SN: 2501-UP

1шт.

4

04065-09030

RING,SNAP

SN: 2501-UP

1шт.

5

2691-5-32100

FLANGE,AXLE

SN: 2501-UP

1шт.

6

06006-06210

BEARING

SN: 2501-UP

2шт.

7

267-22-21012

BEARING

SN: 2501-UP

1шт.

8

2691-5-33920

SPACER

SN: 2501-UP

1шт.

9

01010-31635

BOLT

SN: 2501-UP

4шт.

10

01602-01648

WASHER,SPRING

SN: 2501-UP

4шт.

11

01010-31265

BOLT

SN: 2501-UP

8шт.

12

01602-01236

WASHER,SPRING

SN: 2501-UP

8шт.

13

01010-31635

BOLT

SN: 2501-UP

2шт.

14

01602-01648

WASHER,SPRING

SN: 2501-UP

2шт.

15

2691-5-33910

PIN

SN: 2501-UP

1шт.

16

04064-03015

RING,SNAP

SN: 2501-UP

1шт.

17

01010-31445

BOLT

SN: 2501-UP

4шт.

18

01602-01442

WASHER,SPRING

SN: 2501-UP

4шт.

19

01580-01411

NUT

SN: 2501-UP

4шт.

Выбрано товаров: 19