Запчасти Komatsu JV32W-2 КОРПУС ШЕСТЕРЕНН. ПЕРЕДАЧИ (/) ДВИГАТЕЛЬ¤ КОМПОНЕНТЫ ДВИГАТЕЛЯ И ЭЛЕКТРИКА

Схема запчастей Komatsu JV32W-2 - КОРПУС ШЕСТЕРЕНН. ПЕРЕДАЧИ (/) ДВИГАТЕЛЬ¤ КОМПОНЕНТЫ ДВИГАТЕЛЯ И ЭЛЕКТРИКА
FIT
1:1
100%

Артикул

Название

Примечание

Количество

|1

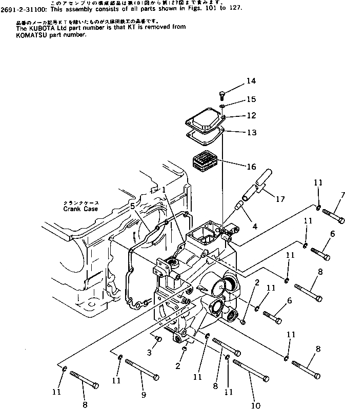
2691-2-31100

ENGINE ASS'Y

SN: 2501-UP

1шт.

|$$2

THIS ASSEMBLY CONSISTS OF ALL PARTS SHOWN IN FIGS.101 TO 127.

-1шт.

|$$3

THE KUBOTA PART NUMBER IS THAT KT IS REMOVED FROM KOMATSU PART NUMBER LISTED BELOW.

-1шт.

|1

KT14952-0402-1

CASE ASS'Y

SN: 2501-UP

1шт.

1

KT14952-0411-1

CASE,GEAR

SN: 2501-UP

1шт.

2

KT15221-3364-1

PLUG

SN: 2501-UP

2шт.

3

KT14107-6629-2

PIN

SN: 2501-UP

1шт.

4

KT14952-0555-1

JOINT,BREATHER PIPE

SN: 2501-UP

1шт.

5

KT14952-0413-1

GASKET,GEAR CASE

SN: 2501-UP

1шт.

6

KT01153-50842

BOLT

SN: 2501-UP

2шт.

7

KT01153-50855

BOLT

SN: 2501-UP

1шт.

8

KT01153-50875

BOLT

SN: 2501-UP

4шт.

9

KT01153-50895

BOLT

SN: 2501-UP

1шт.

10

KT01153-50800

BOLT

SN: 2501-UP

1шт.

11

KT04512-50080

WASHER,SPRING

SN: 2501-UP

9шт.

12

KT14952-0542-1

COVER,BREATHER

SN: 2501-UP

1шт.

13

KT14911-0543-1

GASKET,BREATHER

SN: 2501-UP

1шт.

14

KT01222-50612

BOLT

SN: 2501-UP

4шт.

15

KT04512-50060

WASHER,SPRING

SN: 2501-UP

4шт.

16

KT14952-0567-1

ELEMENT,BREATHER

SN: 2501-UP

1шт.

17

KT14952-0551-1

PIPE,BREATHER

SN: 2501-UP

1шт.

Выбрано товаров: 0