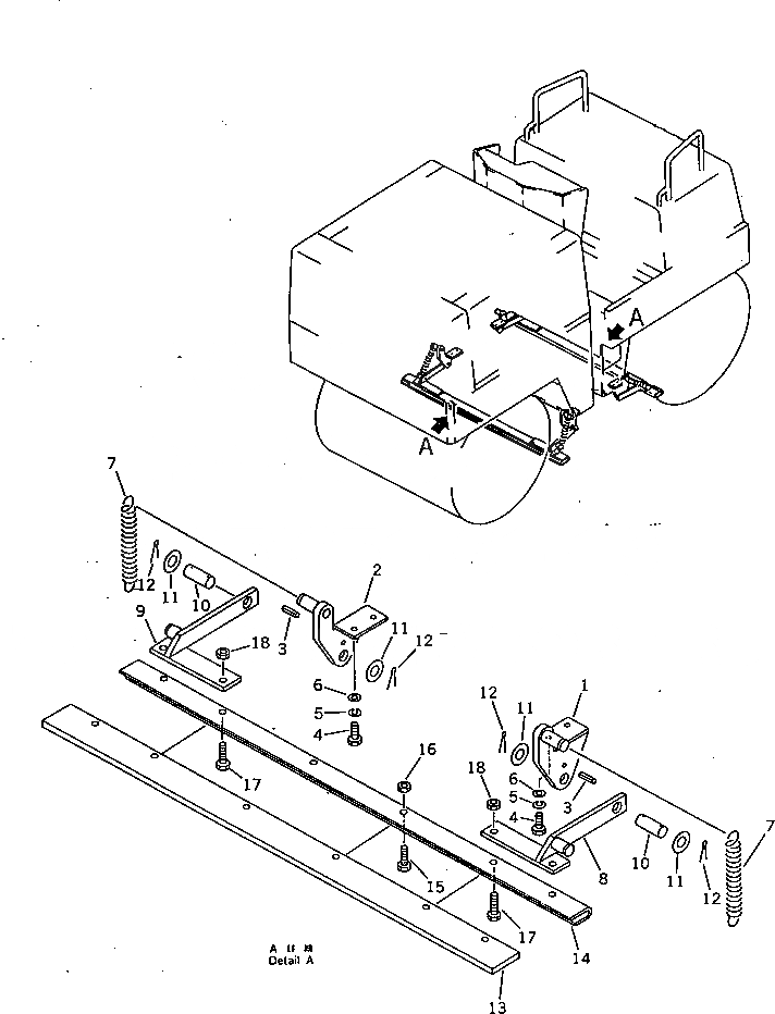
Запчасти Komatsu JV32W-2 РОЛИК СКРЕППЕР (ВНУТР.)(№-) РАМА И КУЗОВ

Схема запчастей Komatsu JV32W-2 - РОЛИК СКРЕППЕР (ВНУТР.)(№-) РАМА И КУЗОВ
FIT
1:1
100%

Артикул

Название

Примечание

Количество

|$0

2691-1-39100

SCRAPER ASS'Y

SN: 2501-2550

2шт.

1

2671-1-39200

BRACKET,L.H.

SN: 2501-2550

1шт.

2

2671-1-39300

BRACKET,R.H.

SN: 2501-2550

1шт.

3

04025-00820

PIN,SPRING

SN: 2501-2550

2шт.

4

01010-30820

BOLT

SN: 2501-2550

4шт.

5

01602-00825

WASHER,SPRING

SN: 2501-2550

4шт.

6

01643-30823

WASHER

SN: 2501-2550

4шт.

7

2691-1-38120

SPRING

SN: 2501-2550

2шт.

8

2691-1-39400

BRACKET,L.H.

SN: 2501-2550

1шт.

9

2691-1-39500

BRACKET,L.H.

SN: 2501-2550

1шт.

10

2691-1-38110

PIN

SN: 2501-2550

2шт.

11

266-91-20000

WASHER

SN: 2501-2550

4шт.

12

04050-14035

PIN,COTTER

SN: 2501-2550

1шт.

12

2691-1-18102

SCRAPER

SN: 2501-2550

1шт.

13

2691-1-18110

SCRAPER

SN: 2501-2550

1шт.

14

2691-1-18121

HOLDER

SN: 2501-2550

1шт.

15

01010-31030

BOLT

SN: 2501-2550

2шт.

16

01580-31008

NUT

SN: 2501-2550

2шт.

17

01010-31035

BOLT

SN: 2501-2550

4шт.

18

01580-31008

NUT

SN: 2501-2550

4шт.

Выбрано товаров: 20