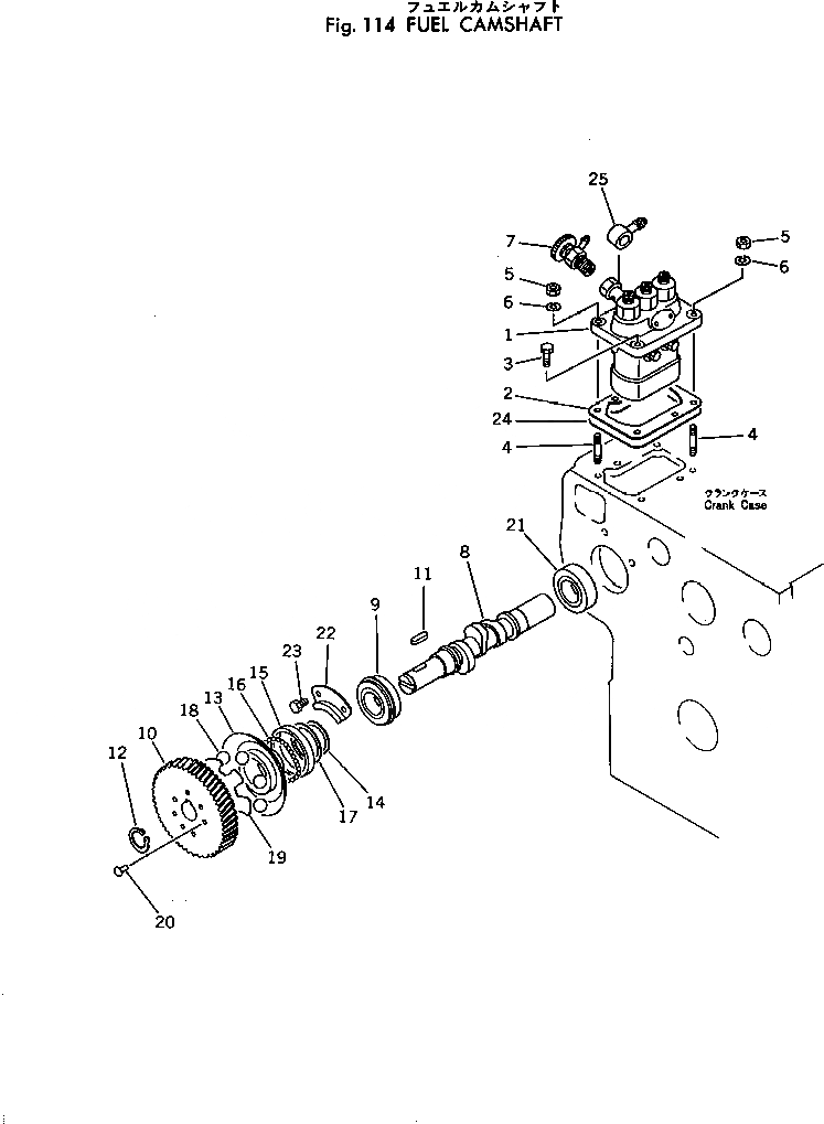
Запчасти Komatsu JV40C-1 ТОПЛИВН. РАСПРЕДВАЛ ДВИГАТЕЛЬ¤ КОМПОНЕНТЫ ДВИГАТЕЛЯ И ЭЛЕКТРИКА

Схема запчастей Komatsu JV40C-1 - ТОПЛИВН. РАСПРЕДВАЛ ДВИГАТЕЛЬ¤ КОМПОНЕНТЫ ДВИГАТЕЛЯ И ЭЛЕКТРИКА
FIT
1:1
100%

Артикул

Название

Примечание

Количество

|1

258-20-11501

ENGINE ASS'Y

SN: 1466-UP

1шт.

|1

258-20-11500

ENGINE ASS'Y

SN: 1001-1465

1шт.

1

KT15521-5101-1

INJECTION PUMP A.

SN: 1001-UP

1шт.

2

KT15321-5211-3

SHIM

SN: 1001-UP

3шт.

3

KT01123-50822

BOLT

SN: 1001-UP

2шт.

4

KT01513-50822

STUD

SN: 1001-UP

2шт.

5

KT02156-50080

NUT

SN: 1001-UP

2шт.

6

KT04512-50080

WASHER

SN: 1001-UP

2шт.

7

KT14311-6050-4

COCK ASS'Y

SN: 1001-UP

1шт.

|8

KT15521-1602-1

CAMSHAFT ASS'Y

SN: 1001-UP

1шт.

8

KT15521-1617-1

CAMSHAFT

SN: 1001-UP

1шт.

9

KT08153-06205

BEARING

SN: 1001-UP

1шт.

10

KT15401-5115-3

GEAR

SN: 1001-UP

1шт.

11

KT05712-00525

KEY

SN: 1001-UP

1шт.

12

KT04612-00240

RING

SN: 1001-UP

1шт.

13

KT15221-5545-3

SLEEVE

SN: 1001-UP

1шт.

14

KT15221-5547-1

RING

SN: 1001-UP

1шт.

15

KT15221-5569-2

CASE

SN: 1001-UP

1шт.

16

KT07715-03205

BALL

SN: 1001-UP

39шт.

17

KT15221-5574-1

RING

SN: 1001-UP

1шт.

18

KT07715-00805

BALL

SN: 1001-UP

7шт.

19

KT15521-5565-1

GUIDE

SN: 1001-UP

1шт.

20

KT05611-10310

RIVET

SN: 1001-UP

7шт.

21

KT08103-06205

BEARING

SN: 1001-UP

1шт.

22

KT15221-1632-1

STOPPER

SN: 1001-UP

1шт.

23

KT01123-50814

BOLT

SN: 1001-UP

2шт.

24

KT15521-5211-1

SHIM

SN: 1001-UP

1шт.

25

KT14111-4241-3

JOINT

SN: 1001-UP

1шт.

Выбрано товаров: 0