Запчасти Komatsu JV40C-1 PC РЫЧАГ ТРАНСМИССИЯ И ТОРМОЗ.

Схема запчастей Komatsu JV40C-1 - PC РЫЧАГ ТРАНСМИССИЯ И ТОРМОЗ.
FIT
1:1
100%

Артикул

Название

Примечание

Количество

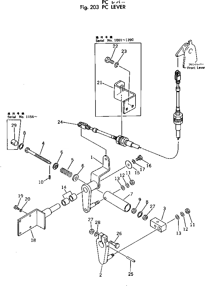
1

258-30-15100

LEVER

SN: 1001-UP

1шт.

2

258-30-15201

LEVER

SN: 1466-UP

1шт.

2

258-30-15200

LEVER

SN: 1001-1465

1шт.

3

258-30-15340

JOINT

SN: 1001-UP

1шт.

4

258-30-15600

BOLT

SN: 1001-UP

1шт.

5

257-30-15711

SPRING

SN: 1001-UP

1шт.

6

258-30-15720

COLLAR

SN: 1001-UP

2шт.

7

258-30-15730

HOLDER

SN: 1001-UP

1шт.

8

04065-02412

RING

SN: 1001-UP

2шт.

9

267-15-41108

NUT

SN: 1001-UP

1шт.

10

267-12-20020

PIN

SN: 1001-UP

1шт.

11

01580-00806

NUT

SN: 1001-UP

2шт.

12

01602-00825

WASHER

SN: 1001-UP

2шт.

13

01641-00812

WASHER

SN: 1001-UP

2шт.

14

265-30-24420

BUSHING

SN: 1001-UP

2шт.

15

266-91-08000

WASHER

SN: 1001-UP

1шт.

16

01010-30816

BOLT

SN: 1001-UP

1шт.

17

01602-00825

WASHER

SN: 1001-UP

1шт.

18

258-30-15801

BRACKET

SN: 1466-UP

1шт.

18

258-30-15800

BRACKET

SN: 1001-1465

1шт.

19

258-30-15750

BOLT

SN: 1001-UP

4шт.

20

01602-00825

WASHER

SN: 1001-UP

4шт.

21

258-30-15740

BRACKET

SN: 1001-1390

1шт.

22

01010-31020

BOLT

SN: 1001-1390

2шт.

23

01602-01030

WASHER

SN: 1001-1390

2шт.

24

258-30-15900

WIRE

SN: 1001-UP

1шт.

25

04025-00640

PIN

SN: 1001-UP

1шт.

26

01010-30845

BOLT

SN: 1001-UP

1шт.

27

01580-00806

NUT

SN: 1001-UP

2шт.

28

01602-00825

WASHER

SN: 1001-UP

1шт.

29

258-30-15760

BUSHING

SN: 1156-UP

1шт.

Выбрано товаров: 31