Запчасти Komatsu JV40CW-3 ВЫС. И НИЗ. SPEED РЫЧАГ УПРАВЛ-Я СИСТЕМА УПРАВЛЕНИЯ

Схема запчастей Komatsu JV40CW-3 - ВЫС. И НИЗ. SPEED РЫЧАГ УПРАВЛ-Я СИСТЕМА УПРАВЛЕНИЯ
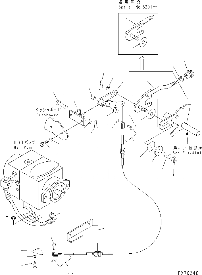
1
1
2
3
4
5
5
5
6
7
8
9
10
11
12
13
13
14
15
16
17
18
18
18
18
19
20
21
22
23
FIT
1:1
100%

Артикул

Название

Примечание

Количество

1

258-30-48200

LEVER

SN: 5301-UP

1шт.

1

258-30-28200

LEVER

SN: 5001-5300

1шт.

2

258-30-28510

KNOB

SN: 5001-UP

1шт.

3

01580-11008

NUT

SN: 5001-UP

1шт.

4

258-30-28301

LEVER

SN: 5001-UP

1шт.

5

258-30-28520

PLATE

SN: 5001-UP

2шт.

6

258-30-28530

PLATE

SN: 5001-UP

1шт.

7

258-30-28540

SPRING

SN: 5001-UP

1шт.

8

267-15-41110

NUT

SN: 5001-UP

1шт.

9

01640-21016

WASHER

SN: 5001-UP

1шт.

10

04050-13020

PIN,COTTER

SN: 5001-UP

1шт.

11

258-30-28600

BRACKET

SN: 5001-UP

1шт.

12

258-30-28550

PIN

SN: 5001-UP

1шт.

13

258-30-28560

BUSHING

SN: 5001-UP

2шт.

14

01640-21223

WASHER

SN: 5001-UP

1шт.

15

04050-13020

PIN,COTTER

SN: 5001-UP

1шт.

16

01010-80820

BOLT

SN: 5001-UP

2шт.

17

01602-20825

WASHER,SPRING

SN: 5001-UP

2шт.

18

258-06-62290

WIRE

SN: 5001-UP

1шт.

19

258-30-35210

LEVER

SN: 5001-UP

1шт.

20

01010-80816

BOLT

SN: 5001-UP

2шт.

21

01580-10806

NUT

SN: 5001-UP

2шт.

22

01602-20825

WASHER,SPRING

SN: 5001-UP

2шт.

23

258-30-35110

BRACKET

SN: 5001-UP

1шт.

Выбрано товаров: 24