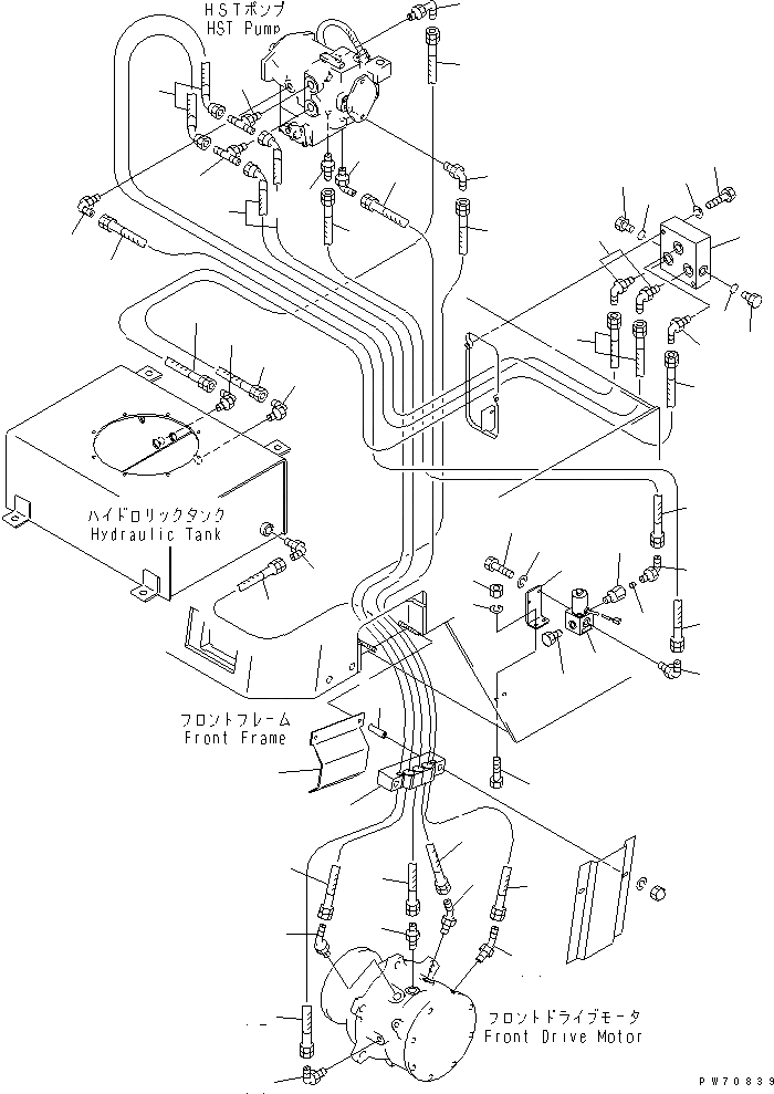
Запчасти Komatsu JV40CW-5 HST ТРУБЫ (ПЕРЕДН. ПРИВОД МОТОР ЛИНИЯ) УПРАВЛ-Е РАБОЧИМ ОБОРУДОВАНИЕМ

Схема запчастей Komatsu JV40CW-5 - HST ТРУБЫ (ПЕРЕДН. ПРИВОД МОТОР ЛИНИЯ) УПРАВЛ-Е РАБОЧИМ ОБОРУДОВАНИЕМ
1
1
2
2
2
3
3
4
4
5
6
7
8
9
9
10
10
11
12
12
13
14
15
15
16
17
18
18
19
20
21
21
22
23
24
25
26
27
28
29
30
31
32
33
34
34
35
36
37
37
38
39
40
40
41
42
43
44
FIT
1:1
100%

Артикул

Название

Примечание

Количество

1

258-07-02214

ELBOW

SN: 6001-UP

2шт.

2

258-80-58270

HOSE

SN: 6001-UP

2шт.

3

257-80-38120

TEE

SN: 6001-UP

2шт.

4

258-80-58280

HOSE

SN: 6001-UP

2шт.

5

258-07-02224

ELBOW

SN: 6001-UP

2шт.

6

258-80-58151

SOCKET

SN: 6001-UP

1шт.

7

01010-80865

BOLT

SN: 6001-UP

2шт.

8

01602-20825

WASHER,SPRING

SN: 6001-UP

2шт.

9

07040-11007

PLUG

SN: 6001-UP

2шт.

10

07002-11023

O-RING

SN: 6001-UP

2шт.

11

258-07-02222

ELBOW

SN: 6001-UP

1шт.

12

267-97-50282

HOSE

SN: 6001-UP

1шт.

13

258-80-28290

ELBOW

SN: 6001-UP

1шт.

14

258-07-02222

ELBOW

SN: 6001-UP

1шт.

15

267-97-50272

HOSE

SN: 6001-UP

1шт.

16

258-80-28290

ELBOW

SN: 6001-UP

1шт.

17

267-13-10404

NIPPLE

SN: 6001-UP

1шт.

18

267-97-50436

HOSE

SN: 6001-UP

1шт.

19

258-07-02224

ELBOW

SN: 6001-UP

1шт.

20

267-13-80702

NIPPLE

SN: 6001-UP

1шт.

21

267-97-50215

HOSE

SN: 6001-UP

1шт.

22

258-07-01622

ELBOW

SN: 6001-UP

1шт.

23

258-07-01514

PLUG

SN: 6001-UP

1шт.

24

267-13-20202

BUSHING

SN: 6001-UP

1шт.

25

258-80-57600

VALVE

SN: 6001-UP

1шт.

26

258-80-58261

BRACKET

SN: 6001-UP

1шт.

27

01010-80830

BOLT

SN: 6001-UP

2шт.

28

01602-20825

WASHER,SPRING

SN: 6001-UP

2шт.

29

01580-10806

NUT

SN: 6001-UP

2шт.

30

01010-80616

BOLT

SN: 6001-UP

2шт.

31

01602-20619

WASHER,SPRING

SN: 6001-UP

2шт.

32

258-07-05112

PLUG

SN: 6001-UP

1шт.

33

258-07-02222

ELBOW

SN: 6001-UP

1шт.

34

267-97-50223

HOSE

SN: 6001-UP

1шт.

35

258-80-28290

ELBOW

SN: 6001-UP

1шт.

36

258-07-02326

ELBOW

SN: 6001-UP

1шт.

37

258-06-54161

HOSE

SN: 6001-UP

1шт.

38

258-07-02226

ELBOW

SN: 6001-UP

1шт.

39

258-07-02224

ELBOW

SN: 6001-UP

1шт.

40

267-97-50495

HOSE

SN: 6001-UP

1шт.

41

258-07-02224

ELBOW

SN: 6001-UP

1шт.

42

258-80-58240

PLATE

SN: 6001-UP

1шт.

43

258-80-58211

SUPPORT

SN: 6001-UP

1шт.

44

258-80-58231

PIPE

SN: 6001-UP

2шт.

Выбрано товаров: 44