Запчасти Komatsu JV40CW-5 ЭЛЕКТРИКА (/) ЗАДН. РАМА КОМПОНЕНТЫ ДВИГАТЕЛЯ И ЭЛЕКТРИКА

Схема запчастей Komatsu JV40CW-5 - ЭЛЕКТРИКА (/) ЗАДН. РАМА КОМПОНЕНТЫ ДВИГАТЕЛЯ И ЭЛЕКТРИКА
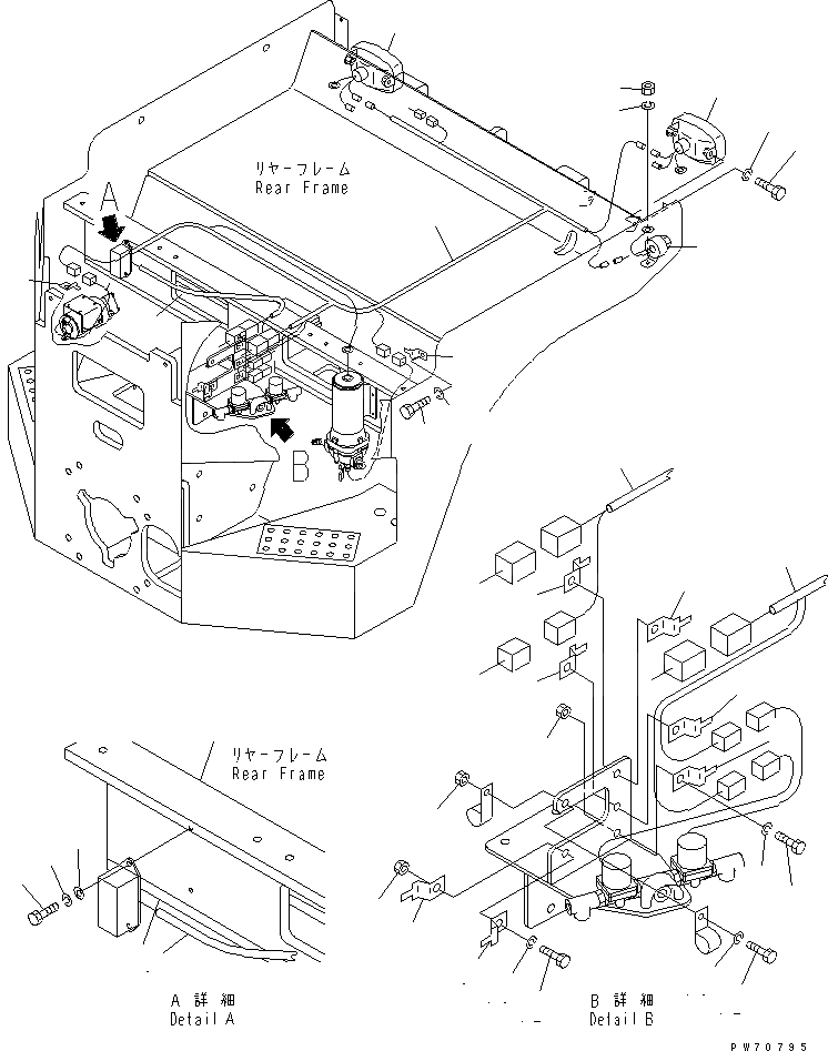
1
1
2
3
3
3
4
4
5
5
6
6
6
7
7
8
9
10
11
12
12
12
12
13
13
13
13
14
15
15
15
15
15
15
16
FIT
1:1
100%

Артикул

Название

Примечание

Количество

1

2691-2-16200

LAMP ASS'Y,HEAD

SN: 6001-UP

2шт.

|1

2691-2-16260

BULB¤ 25W

SN: 6001-UP

1шт.

2

258-20-26970

BUZZER

SN: 6001-UP

1шт.

3

258-20-56202

BOX,FUSE

SN: 6001-UP

1шт.

|3

258-20-56210

FUSE¤ 5A

SN: 6001-UP

2шт.

|3

258-20-56220

FUSE¤ 10A

SN: 6001-UP

5шт.

|3

258-20-56230

FUSE¤ 15A

SN: 6001-UP

2шт.

|3

258-20-56240

FUSE¤ 20A

SN: 6001-UP

1шт.

|3

258-20-56250

FUSE¤ 30A

SN: 6001-UP

2шт.

4

258-20-56821

HARNESS

SN: 6001-UP

1шт.

5

258-20-56140

CLIP

SN: 6001-UP

2шт.

6

258-20-56150

CLIP

SN: 6001-UP

3шт.

7

258-20-56160

CLIP

SN: 6001-UP

2шт.

8

258-20-56170

CLIP

SN: 6001-UP

1шт.

9

258-20-56180

CLIP

SN: 6001-UP

1шт.

10

01010-80625

BOLT

SN: 6001-UP

2шт.

11

01010-80816

BOLT

SN: 6001-UP

1шт.

12

01010-80820

BOLT

SN: 6001-UP

9шт.

13

01580-10806

NUT

SN: 6001-UP

6шт.

14

01602-20619

WASHER,SPRING

SN: 6001-UP

2шт.

15

01602-20825

WASHER,SPRING

SN: 6001-UP

11шт.

16

01643-30623

WASHER

SN: 6001-UP

2шт.

Выбрано товаров: 22